Khoen nhôm

Khoen nhôm

Tại nhà máy Đông Quan của chúng tôi, Nuote Metals sản xuất khoen nhôm chất lượng. Chúng tôi đã tập trung vào việc sản xuất khoen nhôm trong nhiều năm. Nhôm của chúng tôi được lựa chọn cẩn thận để vừa nhẹ vừa chắc chắn. Những khoen nhôm này sẽ không bị rỉ sét và giữ được độ sáng bóng. Chúng tôi cung cấp khoen nhôm với nhiều kích cỡ khác nhau. Một số thì rất nhỏ, một số thì khá lớn. Mỗi lỗ gắn nhôm đều được nhân viên của chúng tôi kiểm tra. Họ kiểm tra hình dạng và bề mặt. Khách hàng thường lựa chọn khoen nhôm của chúng tôi. Họ thấy chúng đáng tin cậy và ưa nhìn. Chúng tôi cung cấp mẫu nhanh cho những ai muốn dùng thử.

Gửi yêu cầu

Mô tả Sản phẩm

Câu hỏi thường gặp:

Lỗ gắn nhôm là một vòng nhỏ được làm từ nhôm. Nó giúp tăng cường các lỗ trên vải hoặc các vật liệu khác. Khoen nhôm nhẹ hơn hầu hết các khoen kim loại. Điều này làm cho chúng dễ dàng xử lý và vận chuyển. Chúng bảo vệ các cạnh của lỗ khỏi bị mài mòn. Khi dây buộc hoặc dây được kéo qua, chất liệu vẫn còn nguyên. Khoen nhôm chống nước và không bị ăn mòn. Kết thúc của họ vẫn tươi sáng theo thời gian. Một công cụ ép đơn giản được sử dụng để đặt các lỗ nhôm. Sau khi được ép vào vị trí, chúng sẽ cố định chắc chắn và không bị lỏng ra.


Thông số sản phẩm (Thông số kỹ thuật)



Vật liệu Nhôm
Xử lý bề mặt Làm sạch, mạ kẽm, mạ niken, mạ bạc, theo yêu cầu
Giấy chứng nhận Tuân thủ Rohs
Đường kính thân 0,8-10mm
Sức chịu đựng +/- 0,05mm
Ứng dụng Thích hợp để sử dụng trong các ngành công nghiệp khác nhau, bao gồm vải, lều, vải bạt, v.v.
Kiểm soát chất lượng Kiểm tra toàn bộ 100% trong quá trình sản xuất đảm bảo rằng mỗi sản phẩm đều đáp ứng tiêu chuẩn ISO, đảm bảo sản phẩm chất lượng cao.



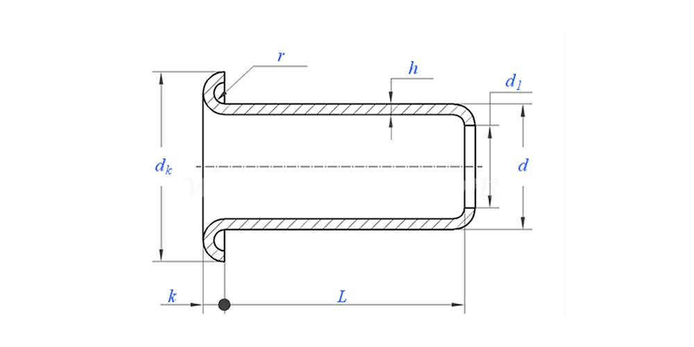
khoen nhôm vẽ như sau:

Ứng dụng hiển thị:


Tính năng và ứng dụng sản phẩm

Khoen nhôm có nhiều công dụng hàng ngày. Chúng được tìm thấy trong giày thể thao và giày bốt nhẹ có dây buộc. Áo mưa và áo gió dùng làm dây mui xe. Túi tote và ba lô thường có lỗ xỏ dây bằng nhôm. Lều cắm trại và bạt có thể dùng làm dây dẫn. Các dụng cụ thể thao như cờ, cờ hiệu cũng sử dụng khoen nhôm. Một số vỏ và vỏ bảo vệ cũng dựa vào chúng. Những khoen nhôm này giúp giữ cho sản phẩm hoạt động tốt và gọn gàng. Khách hàng chọn khoen nhôm của chúng tôi vì chúng nhẹ và không rỉ sét. Chúng tôi tự hào về việc tạo ra những khoen nhôm bền bỉ ngay tại Đông Quản.


khoen nhôm Chi tiết sản xuất

Thông tin đóng gói

Câu hỏi thường gặp:

Câu 1: Moq của bạn cho khoen nhôm là gì?

MOQ cho đinh tán là 20.000 chiếc.


Câu 2: Bạn có thể điều chỉnh việc thực hiện bằng bản vẽ của chúng tôi không?

Có, hầu hết các đinh tán hình ống của chúng tôi đều được thiết kế riêng theo bản vẽ của khách hàng.


Câu 3: Bạn có thể cung cấp mẫu đinh tán rỗng miễn phí không?

Chúng tôi có thể cung cấp các mẫu miễn phí cho kích thước chúng tôi có trong kho, nhưng khách hàng sẽ phải trả phí Chuyển phát nhanh.


Q4: Thời gian giao hàng của bạn là gì?

Kích thước đinh tán trong kho: 3-5 ngày, Đinh tán không chuẩn: 15-25 ngày. Chúng tôi sẽ giao hàng trong thời gian sớm nhất với chất lượng đảm bảo.


Câu 5: Chất lượng sản phẩm của bạn?

Lỗ gắn nhôm là một vòng nhỏ được làm từ nhôm. Nó giúp tăng cường các lỗ trên vải hoặc các vật liệu khác. Khoen nhôm nhẹ hơn hầu hết các khoen kim loại. Điều này làm cho chúng dễ dàng xử lý và vận chuyển. Chúng bảo vệ các cạnh của lỗ khỏi bị mài mòn. Khi dây buộc hoặc dây được kéo qua, chất liệu vẫn còn nguyên. Khoen nhôm chống nước và không bị ăn mòn. Kết thúc của họ vẫn tươi sáng theo thời gian. Một công cụ ép đơn giản được sử dụng để đặt các lỗ nhôm. Sau khi được ép vào vị trí, chúng sẽ cố định chắc chắn và không bị lỏng ra.


Câu 6: Tại sao chúng tôi chọn Công nghệ Nuote?

1.Chúng tôi Nuote tôn trọng các điều khoản của khách hàng để bảo vệ các dự án bảo mật của khách hàng.

2. Chất lượng cao với giá hấp dẫn

3. Thời gian thực hiện nhanh

4. Thỏa thuận vui vẻ và trung thực với khách hàng và đối tác

5. Quảng cáo bán hàng chuyên nghiệp trả lời yêu cầu của bạn trong 8 giờ.

6. Sản phẩm và dịch vụ của Nuote được bán cho hơn 70 quốc gia với danh tiếng tốt


Thẻ nóng: Khoen nhôm
Gửi yêu cầu
Xin vui lòng gửi yêu cầu của bạn trong mẫu dưới đây. Chúng tôi sẽ trả lời bạn trong 24 giờ.
X
We use cookies to offer you a better browsing experience, analyze site traffic and personalize content. By using this site, you agree to our use of cookies. Privacy Policy