Khoen SS

Khoen SS

Chúng tôi là Nuote Metals từ Đông Quan. Nhà máy của chúng tôi sản xuất khoen ss chắc chắn mỗi ngày. SS có nghĩa là thép không gỉ. Những khoen ss này không dễ bị rỉ sét. Chúng tôi sử dụng thép không gỉ tốt để làm cho chúng. Khoen ss của chúng tôi có nhiều kích cỡ khác nhau. Một số nhỏ dành cho các mặt hàng nhẹ. Một số lớn để sử dụng nhiều. Mỗi lỗ gắn ss đều được nhóm của chúng tôi kiểm tra. Họ nhìn vào sự hoàn thiện và hình dạng. Nhiều khách hàng chọn khoen ss của chúng tôi. Họ thích rằng chúng tồn tại lâu dài và luôn sáng bóng. Chúng tôi có thể tạo mẫu nhanh chóng cho các đơn đặt hàng mới.

Gửi yêu cầu

Mô tả Sản phẩm

Giới thiệu khoen SS

Khoen SS là những vòng kim loại được làm từ thép không gỉ. Chúng làm cho các lỗ trên vật liệu chắc chắn hơn. Những khoen ss này hoạt động tốt ở những nơi ẩm ướt. Mưa hoặc độ ẩm không làm hỏng chúng. Họ giữ được sức mạnh của mình trong nhiều năm. Để lắp khoen ss, bạn cần có máy ép. Máy đặt lỗ gắn ss vào vật liệu. Sau đó nó ngồi chặt và không di chuyển. Điều này làm cho sản phẩm sẵn sàng cho các điều kiện khắc nghiệt.


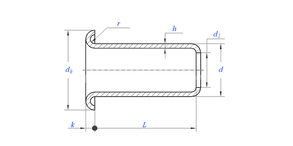
vẽ như sau:


Thông số khoen SS (Thông số kỹ thuật)


Vật liệu thép không gỉ
Xử lý bề mặt Làm sạch, mạ kẽm, mạ niken, mạ bạc, theo yêu cầu
Giấy chứng nhận Tuân thủ Rohs
Đường kính thân 0,8-10mm
Sức chịu đựng +/- 0,05mm
Ứng dụng Thích hợp để sử dụng trong các ngành công nghiệp khác nhau, bao gồm ô tô, hàng không vũ trụ, điện và điện tử, v.v.
Kiểm soát chất lượng Kiểm tra toàn bộ 100% trong quá trình sản xuất đảm bảo rằng mỗi sản phẩm đều đáp ứng tiêu chuẩn ISO, đảm bảo sản phẩm chất lượng cao.



Tính năng và ứng dụng của khoen SS

Khoen SS được sử dụng trong nhiều việc. Các thiết bị ngoài trời như lều sử dụng khoen ss để làm dây thừng. Túi và giày cần chúng để làm dây buộc và dây đai. Rèm nhà bếp đôi khi cũng có khoen ss. Quần áo và đồng phục công sở sử dụng khoen ss để đảm bảo độ bền. Tàu thuyền và các mặt hàng biển cần có khoen ss vì chúng có khả năng chống nước mặn. Thậm chí một số dụng cụ và thiết bị còn sử dụng khoen ss. Những lỗ khoen ss này giúp sản phẩm luôn chắc chắn và gọn gàng. Khách hàng của chúng tôi tin tưởng khoen ss của chúng tôi cho các dự án của họ. Họ biết những lỗ khoen này sẽ không bị gỉ hoặc vỡ. Chúng tôi tự hào tạo ra những khoen ss tốt ở Đông Quan.


Chi tiết khoen SS

Khoen SS Thông tin đóng gói

Câu hỏi thường gặp:

Câu 1: Moq của bạn cho khoen bằng thép không gỉ là gì?

MOQ cho đinh tán là 20.000 chiếc.


Câu 2: Bạn có thể điều chỉnh việc thực hiện bằng bản vẽ của chúng tôi không?

Có, hầu hết các đinh tán hình ống của chúng tôi đều được thiết kế riêng theo bản vẽ của khách hàng.


Câu 3: Bạn có thể cung cấp mẫu đinh tán rỗng miễn phí không?

Chúng tôi có thể cung cấp các mẫu miễn phí cho kích thước chúng tôi có trong kho, nhưng khách hàng sẽ phải trả phí Chuyển phát nhanh.


Q4: Thời gian giao hàng của bạn là gì?

Kích thước đinh tán trong kho: 3-5 ngày, Đinh tán không chuẩn: 15-25 ngày. Chúng tôi sẽ giao hàng trong thời gian sớm nhất với chất lượng đảm bảo.


Câu 5: Chất lượng sản phẩm của bạn?

Công ty có thiết bị sản xuất và thử nghiệm tiên tiến. Mọi sản phẩm sẽ được bộ phận QC của chúng tôi kiểm tra 100% trước khi giao hàng.


Câu 6: Tại sao chúng tôi chọn Công nghệ Nuote?

1.Chúng tôi Nuote tôn trọng các điều khoản của khách hàng để bảo vệ các dự án bảo mật của khách hàng.

2. Chất lượng cao với giá hấp dẫn

3. Thời gian thực hiện nhanh

4. Thỏa thuận vui vẻ và trung thực với khách hàng và đối tác

5. Quảng cáo bán hàng chuyên nghiệp trả lời yêu cầu của bạn trong 8 giờ.

6. Sản phẩm và dịch vụ của Nuote được bán cho hơn 70 quốc gia với danh tiếng tốt


Thẻ nóng: Khoen SS,Nhà máy khoen Trung Quốc,Nhà sản xuất khoen SS
Danh mục liên quan
Gửi yêu cầu
Xin vui lòng gửi yêu cầu của bạn trong mẫu dưới đây. Chúng tôi sẽ trả lời bạn trong 24 giờ.
X
Chúng tôi sử dụng cookie để cung cấp cho bạn trải nghiệm duyệt web tốt hơn, phân tích lưu lượng truy cập trang web và cá nhân hóa nội dung. Bằng cách sử dụng trang web này, bạn đồng ý với việc chúng tôi sử dụng cookie. Chính sách bảo mật