Khoen can dầu

Khoen can dầu

Khoen can dầu bằng thép không gỉ là những vòng nhỏ đặc biệt được sử dụng trong can dầu. Chúng được đặt tên theo cách sử dụng cổ điển trong các thùng chứa dầu truyền thống. Nuote Metals ở Đông Quan, Trung Quốc sản xuất khoen can dầu bằng thép không gỉ đáng tin cậy với các kích cỡ khác nhau.

Gửi yêu cầu

Mô tả Sản phẩm

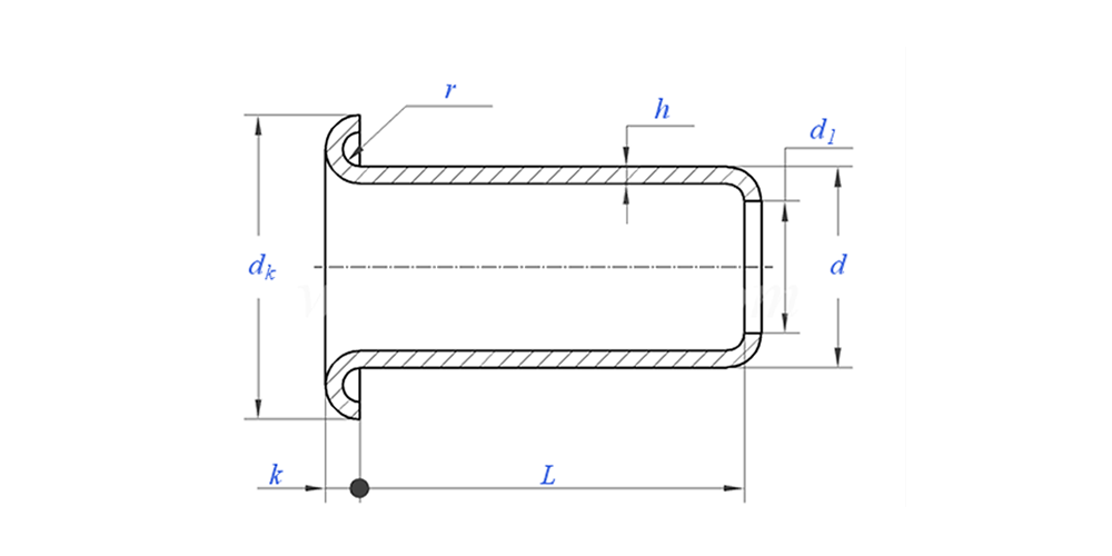
Giới thiệu khoen Oilcan

Những khoen can dầu này được làm từ một miếng thép không gỉ. Điều này làm cho chúng bền và có khả năng chống gỉ, điều này rất quan trọng để sử dụng lâu dài. Thiết kế bao gồm một tâm rỗng và một rãnh được tạo hình sẵn. Rãnh này giúp bạn dễ dàng gấp các lỗ nhỏ của can dầu vào một lỗ kim loại tấm mà không cần tốn nhiều công sức. Việc lắp đặt diễn ra nhanh chóng, tạo độ kín khít và vĩnh viễn.


Bản vẽ khoen Oilcan như sau:

ứng dụng khoen oilcan hiển thị:

Thông số khoen Oilcan (Thông số kỹ thuật)


Vật liệu Thép không gỉ 304
xử lý bề mặt Làm sạch, mạ kẽm, mạ niken, mạ bạc, theo yêu cầu
Giấy chứng nhận Tuân thủ Rohs
Đường kính thân 0,8-10mm
Sức chịu đựng +/- 0,05mm
Ứng dụng Thích hợp để sử dụng trong các ngành công nghiệp khác nhau, bao gồm ô tô, hàng không vũ trụ, điện và điện tử, v.v.
Kiểm soát chất lượng

Kiểm tra toàn bộ 100% trong quá trình sản xuất đảm bảo rằng mỗi sản phẩm đều đáp ứng tiêu chuẩn ISO, đảm bảo sản phẩm chất lượng cao.


Tính năng và ứng dụng của khoen Oilcan

Bạn sẽ tìm thấy những lỗ khoen can dầu này ở nơi cần thiết nhất: trên vòi của can dầu. Chúng tạo ra một lỗ nhẵn, được gia cố để dầu chảy qua. Bộ phận đơn giản này giúp sử dụng hộp dễ dàng và sạch sẽ hơn. Nó cũng làm cho vòi chắc chắn hơn nhiều nên sẽ không dễ bị mòn. Nếu không có lỗ xỏ dầu tốt, cạnh kim loại có thể trở nên thô ráp và gây rò rỉ. Đó là lý do tại sao bộ phận nhỏ này lại rất quan trọng đối với một chiếc can dầu đáng tin cậy.


khoen oilcan Chi tiết sản xuất

Thông tin đóng gói


Câu hỏi thường gặp:

Câu 1: Moq của bạn cho khoen có thể chứa dầu là gì?

MOQ cho đinh tán là 20.000 chiếc.


Câu 2: Bạn có thể điều chỉnh việc thực hiện bằng bản vẽ của chúng tôi không?

Có, hầu hết các đinh tán hình ống của chúng tôi đều được thiết kế riêng theo bản vẽ của khách hàng.


Câu 3: Bạn có thể cung cấp mẫu đinh tán rỗng miễn phí không?

Chúng tôi có thể cung cấp các mẫu miễn phí cho kích thước chúng tôi có trong kho, nhưng khách hàng sẽ phải trả phí Chuyển phát nhanh.


Q4: Thời gian giao hàng của bạn là gì?

Kích thước đinh tán trong kho: 3-5 ngày, Đinh tán không chuẩn: 15-25 ngày. Chúng tôi sẽ giao hàng trong thời gian sớm nhất với chất lượng đảm bảo.


Câu 5: Chất lượng sản phẩm của bạn?

Công ty có thiết bị sản xuất và thử nghiệm tiên tiến. Mọi sản phẩm sẽ được bộ phận QC của chúng tôi kiểm tra 100% trước khi giao hàng.


Câu 6: Tại sao chúng tôi chọn Công nghệ Nuote?

1.Chúng tôi Nuote tôn trọng các điều khoản của khách hàng để bảo vệ các dự án bảo mật của khách hàng.

2. Chất lượng cao với giá hấp dẫn

3. Thời gian thực hiện nhanh

4. Thỏa thuận vui vẻ và trung thực với khách hàng và đối tác

5. Quảng cáo bán hàng chuyên nghiệp trả lời yêu cầu của bạn trong 8 giờ.

6. Sản phẩm và dịch vụ của Nuote được bán cho hơn 70 quốc gia với danh tiếng tốt





Thẻ nóng: Khoen Oilcan,Khoen Cho Oilcan,Khoen Inox Cho Oilcan
Danh mục liên quan
Gửi yêu cầu
Xin vui lòng gửi yêu cầu của bạn trong mẫu dưới đây. Chúng tôi sẽ trả lời bạn trong 24 giờ.
X
Chúng tôi sử dụng cookie để cung cấp cho bạn trải nghiệm duyệt web tốt hơn, phân tích lưu lượng truy cập trang web và cá nhân hóa nội dung. Bằng cách sử dụng trang web này, bạn đồng ý với việc chúng tôi sử dụng cookie. Chính sách bảo mật