Khoen thép không gỉ 316

Khoen thép không gỉ 316

Tại cơ sở Đông Quan của chúng tôi, Nuote Metals sản xuất khoen bằng thép không gỉ 316 bền bỉ. Chất liệu này đặc biệt vì nó có khả năng chống rỉ sét rất tốt. Chúng tôi đã sản xuất khoen thép không gỉ 316 trong nhiều năm. Những khoen này rất chắc chắn và có thể tồn tại trong thời gian dài. Chúng tôi làm chúng với nhiều kích cỡ khác nhau. Một số nhỏ dành cho các sản phẩm tinh tế. Một số có kích thước lớn để sử dụng cho công việc nặng nhọc. Mỗi lỗ gắn thép không gỉ 316 đều được đội ngũ của chúng tôi kiểm tra. Họ đảm bảo mỗi mảnh đều mịn màng và sạch sẽ. Nhiều khách hàng lựa chọn khoen inox 316 của chúng tôi. Họ tin tưởng vào chất lượng và độ bền. Chúng tôi có thể cung cấp mẫu trong vòng một vài ngày.

Gửi yêu cầu

Mô tả Sản phẩm

Giới thiệu khoen thép không gỉ 316

Khoen inox 316 được làm từ thép cao cấp. Thép này có chứa molypden. Điều đó giúp cho khoen inox 316 có khả năng chống ăn mòn tốt hơn. Chúng không bị rỉ sét trong nước muối hoặc không khí ẩm. Những khoen này cũng mạnh mẽ dưới áp lực. Chúng không bị uốn cong hoặc gãy dễ dàng. Để sản xuất khoen inox 316, chúng tôi sử dụng máy móc chính xác. Máy cắt và định hình thép thành các vòng hoàn hảo. Sau đó chúng tôi đánh bóng từng lỗ gắn thép không gỉ 316. Điều này mang lại cho chúng một bề mặt hoàn thiện đẹp và các cạnh mịn.


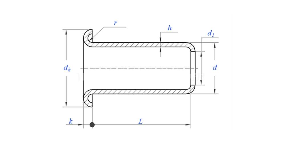
Khoen inox 316 vẽ như sau:

Thông số khoen thép không gỉ 316 (Thông số kỹ thuật)



Vật liệu thép không gỉ
Xử lý bề mặt Làm sạch, mạ kẽm, mạ niken, mạ bạc, theo yêu cầu
Giấy chứng nhận Tuân thủ Rohs
Đường kính thân 0,8-10mm
Sức chịu đựng +/- 0,05mm
Ứng dụng Thích hợp để sử dụng trong các ngành công nghiệp khác nhau, bao gồm ô tô, hàng không vũ trụ, điện và điện tử, v.v.
Kiểm soát chất lượng Kiểm tra toàn bộ 100% trong quá trình sản xuất đảm bảo rằng mỗi sản phẩm đều đáp ứng tiêu chuẩn ISO, đảm bảo sản phẩm chất lượng cao.


Tính năng và ứng dụng của khoen thép không gỉ 316

Khoen thép không gỉ 316 được sử dụng trong môi trường khắc nghiệt. Thuyền và thiết bị hàng hải sử dụng chúng vì nước mặn. Các thiết bị ngoài trời sử dụng chúng trong mọi thời tiết. Các nhà máy hóa chất đôi khi cần chúng vì khả năng kháng thuốc của chúng. Thiết bị chế biến thực phẩm cũng có thể sử dụng chúng. Thiết bị ngoài trời chất lượng cao cần những khoen này. Ngay cả các dự án kiến ​​trúc cũng sử dụng khoen inox 316 để trang trí và sử dụng. Chúng được chọn ở những nơi mà lỗ khoen thông thường sẽ bị rỉ sét. Khách hàng của chúng tôi tin tưởng vào khoen thép không gỉ 316 của chúng tôi cho các ứng dụng quan trọng. Họ biết những chiếc khoen này sẽ hoạt động tốt và trông đẹp trong nhiều năm. Chúng tôi tự hào tạo ra những sản phẩm đáng tin cậy như vậy ở Đông Quan.


Chi tiết khoen thép không gỉ 316


Câu hỏi thường gặp:

Câu 1: Moq của bạn cho khoen thép không gỉ 316 là bao nhiêu?

MOQ cho đinh tán là 20.000 chiếc.


Câu 2: Bạn có thể điều chỉnh việc thực hiện bằng bản vẽ của chúng tôi không?

Có, hầu hết các đinh tán hình ống của chúng tôi đều được thiết kế riêng theo bản vẽ của khách hàng.


Câu 3: Bạn có thể cung cấp mẫu đinh tán rỗng miễn phí không?

Chúng tôi có thể cung cấp các mẫu miễn phí cho kích thước chúng tôi có trong kho, nhưng khách hàng sẽ phải trả phí Chuyển phát nhanh.


Q4: Thời gian giao hàng của bạn là gì?

Kích thước đinh tán trong kho: 3-5 ngày, Đinh tán không chuẩn: 15-25 ngày. Chúng tôi sẽ giao hàng trong thời gian sớm nhất với chất lượng đảm bảo.


Câu 5: Chất lượng sản phẩm của bạn?

Công ty có thiết bị sản xuất và thử nghiệm tiên tiến. Mọi sản phẩm sẽ được bộ phận QC của chúng tôi kiểm tra 100% trước khi giao hàng.


Câu 6: Tại sao chúng tôi chọn Công nghệ Nuote?

1.Chúng tôi Nuote tôn trọng các điều khoản của khách hàng để bảo vệ các dự án bảo mật của khách hàng.

2. Chất lượng cao với giá hấp dẫn

3. Thời gian thực hiện nhanh

4. Thỏa thuận vui vẻ và trung thực với khách hàng và đối tác

5. Quảng cáo bán hàng chuyên nghiệp trả lời yêu cầu của bạn trong 8 giờ.

6. Sản phẩm và dịch vụ của Nuote được bán cho hơn 70 quốc gia với danh tiếng tốt

Thẻ nóng: Khoen thép không gỉ 316, khoen SUS316L, Trung Quốc Khoen thép không gỉ
Danh mục liên quan
Gửi yêu cầu
Xin vui lòng gửi yêu cầu của bạn trong mẫu dưới đây. Chúng tôi sẽ trả lời bạn trong 24 giờ.
X
Chúng tôi sử dụng cookie để cung cấp cho bạn trải nghiệm duyệt web tốt hơn, phân tích lưu lượng truy cập trang web và cá nhân hóa nội dung. Bằng cách sử dụng trang web này, bạn đồng ý với việc chúng tôi sử dụng cookie. Chính sách bảo mật