Khoen không gỉ

Khoen không gỉ

Chúng tôi là Nuote Metals từ Đông Quan Trung Quốc. Nhà máy của chúng tôi sản xuất khoen không gỉ chất lượng cho các ngành công nghiệp khác nhau. Chúng tôi đã sản xuất khoen không gỉ trong nhiều năm. Chúng tôi sử dụng vật liệu thép không gỉ tốt. Chất liệu này làm cho khoen không gỉ của chúng tôi chắc chắn và chống gỉ. Chúng tôi sản xuất khoen không gỉ với nhiều kích cỡ. Một số nhỏ dành cho thiết bị điện tử. Một số lớn cho các sản phẩm ngoài trời. Mỗi lỗ gắn không gỉ đều được kiểm tra bởi công nhân của chúng tôi. Họ xem xét cẩn thận từng phần. Nhiều khách hàng chọn khoen không gỉ của chúng tôi vì chúng hoạt động tốt và bền lâu. Chúng tôi có thể tạo mẫu nhanh chóng cho các dự án mới.

Gửi yêu cầu

Mô tả Sản phẩm

Giới thiệu khoen không gỉ

Khoen không gỉ là những vòng kim loại được làm từ thép không gỉ. Chúng được sử dụng để gia cố các lỗ trên vật liệu. Các lỗ khoen không gỉ bảo vệ các lỗ khỏi bị hư hại. Chúng giữ được hình dạng ngay cả khi bị kéo mạnh. Những khoen không gỉ này không bị rỉ sét trong điều kiện ẩm ướt. Chúng vẫn sáng bóng và bền bỉ trong nhiều năm. Việc lắp vào khoen không gỉ cần có một chiếc máy đặc biệt. Máy ép lỗ gắn thép không gỉ vào vật liệu. Sau khi cài đặt, nó sẽ ở đúng vị trí. Điều này làm cho sản phẩm tốt hơn và bền hơn.



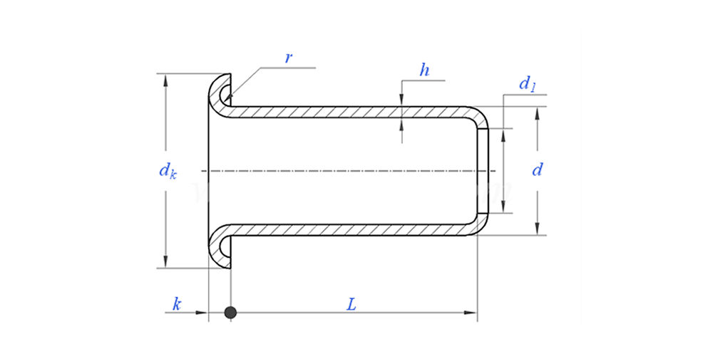
Thông số khoen không gỉ (Thông số kỹ thuật)



Vật liệu thép không gỉ
xử lý bề mặt Làm sạch, mạ kẽm, mạ niken, mạ bạc, theo yêu cầu
Giấy chứng nhận Tuân thủ Rohs
Đường kính thân 0,8-10mm
Sức chịu đựng +/- 0,05mm
Ứng dụng Thích hợp để sử dụng trong các ngành công nghiệp khác nhau, bao gồm ô tô, hàng không vũ trụ, điện và điện tử, v.v.
Kiểm soát chất lượng Kiểm tra toàn bộ 100% trong quá trình sản xuất đảm bảo rằng mỗi sản phẩm đều đáp ứng tiêu chuẩn ISO, đảm bảo sản phẩm chất lượng cao.


Bản vẽ khoen không gỉ như sau:

Ứng dụng hiển thị:


Tính năng và ứng dụng của khoen không gỉ

Khoen inox có rất nhiều công dụng. Giày và bốt cần có lỗ xỏ dây bằng thép không gỉ. Thiết bị ngoài trời sử dụng khoen không gỉ cho dây thừng và dây điện. Túi xách và hành lý cần có khoen không gỉ để làm dây đai. Lều và bạt cần có lỗ khoen bằng thép không gỉ để buộc chặt. Đồ điện tử đôi khi sử dụng những lỗ nhỏ bằng thép không rỉ để luồn dây điện. Thiết bị hàng hải cần có khoen không gỉ vì chúng có khả năng chống nước mặn. Những khoen không gỉ này làm cho sản phẩm trở nên đáng tin cậy và bền lâu. Khách hàng của chúng tôi tin tưởng vào khoen không gỉ của chúng tôi cho các sản phẩm quan trọng của họ. Họ biết khoen không gỉ của chúng tôi sẽ hoạt động tốt trong mọi điều kiện.


Thông tin đóng gói

Chi tiết sản xuất khoen không gỉ


Câu hỏi thường gặp:

Câu 1: Moq của bạn cho khoen không gỉ là gì?

MOQ cho đinh tán là 20.000 chiếc.


Câu 2: Bạn có thể điều chỉnh việc thực hiện bằng bản vẽ của chúng tôi không?

Có, hầu hết các đinh tán hình ống của chúng tôi đều được thiết kế riêng theo bản vẽ của khách hàng.


Câu 3: Bạn có thể cung cấp mẫu đinh tán rỗng miễn phí không?

Chúng tôi có thể cung cấp các mẫu miễn phí cho kích thước chúng tôi có trong kho, nhưng khách hàng sẽ phải trả phí Chuyển phát nhanh.


Q4: Thời gian giao hàng của bạn là gì?

Kích thước đinh tán trong kho: 3-5 ngày, Đinh tán không chuẩn: 15-25 ngày. Chúng tôi sẽ giao hàng trong thời gian sớm nhất với chất lượng đảm bảo.


Câu 5: Chất lượng sản phẩm của bạn?

Công ty có thiết bị sản xuất và thử nghiệm tiên tiến. Mọi sản phẩm sẽ được bộ phận QC của chúng tôi kiểm tra 100% trước khi giao hàng.


Câu 6: Tại sao chúng tôi chọn Công nghệ Nuote?

1.Chúng tôi Nuote tôn trọng các điều khoản của khách hàng để bảo vệ các dự án bảo mật của khách hàng.

2. Chất lượng cao với giá hấp dẫn

3. Thời gian thực hiện nhanh

4. Thỏa thuận vui vẻ và trung thực với khách hàng và đối tác

5. Quảng cáo bán hàng chuyên nghiệp trả lời yêu cầu của bạn trong 8 giờ.

6. Sản phẩm và dịch vụ của Nuote được bán cho hơn 70 quốc gia với danh tiếng tốt


Thẻ nóng: Khoen Inox,Nhà Sản Xuất Khoen Inox,Khoen Inox Trung Quốc
Danh mục liên quan
Gửi yêu cầu
Xin vui lòng gửi yêu cầu của bạn trong mẫu dưới đây. Chúng tôi sẽ trả lời bạn trong 24 giờ.
X
Chúng tôi sử dụng cookie để cung cấp cho bạn trải nghiệm duyệt web tốt hơn, phân tích lưu lượng truy cập trang web và cá nhân hóa nội dung. Bằng cách sử dụng trang web này, bạn đồng ý với việc chúng tôi sử dụng cookie. Chính sách bảo mật