Khoen đồng
  • Khoen đồng Khoen đồng

Khoen đồng

Khoen đồng được làm từ 100% đồng nguyên chất để đảm bảo độ dẫn điện mạnh, Nuote Metals sản xuất khoen đồng ở Trung Quốc trong hơn 10 năm, loại đầu có thể phẳng, cong hoặc chìm. Tất cả các kích cỡ có thể được thiết kế riêng theo bản vẽ của khách hàng.

Gửi yêu cầu

Mô tả Sản phẩm

Giới thiệu khoen đồng


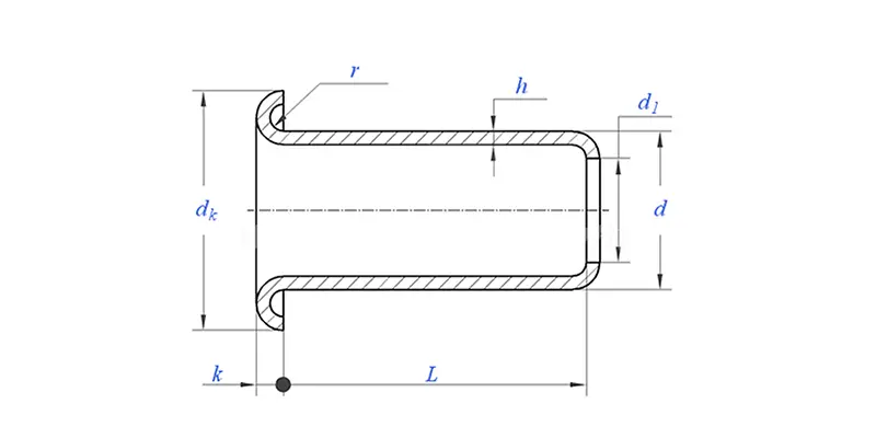
Khoen được sử dụng để tạo ra các lỗ nhỏ, được gia cố trên vật liệu, giúp chúng chắc chắn hơn và có khả năng chống biến dạng hoặc sờn tốt hơn. Những lỗ này được thiết kế để chứa các dây hoặc vòng có thể luồn qua chúng, giúp tăng thêm khả năng hỗ trợ và độ bền. Khoen đồng được làm bằng đồng cao cấp, chắc chắn và bền bỉ, có khả năng chống gỉ và biến dạng.


khoen đồng


Copper Eyelets


Ứng dụng khoen kim loại hiển thị:


Copper Eyelets



Thông số sản phẩm (Thông số kỹ thuật)


Vật liệu

đồng

Xử lý bề mặt

Làm sạch, mạ kẽm, mạ niken, mạ bạc, theo yêu cầu

Giấy chứng nhận

Tuân thủ Rohs

Đường kính thân

0,8-10mm

Sức chịu đựng

+/- 0,05mm

Ứng dụng

 Thích hợp để sử dụng trong các ngành công nghiệp khác nhau, bao gồm cảô tô, hàng không vũ trụ, điện và điện tử,  v.v.

Kiểm soát chất lượng

Kiểm tra toàn bộ 100% trong quá trình sản xuất đảm bảo rằng mỗi sản phẩm đều đáp ứng tiêu chuẩn ISO, đảm bảo sản phẩm chất lượng cao.



Tính năng và ứng dụng sản phẩm


Khoen đồng có thể được lắp đặt dễ dàng. Dùng búa đục một lỗ nhỏ trên tấm, lắp lỗ vào lỗ và tán đinh bằng máy đục lỗ cầm tay hoặc máy tán đinh tự động. Khoen bằng đồng thường được sử dụng để sửa chữa các lỗ mạ trên bảng mạch và cũng để tạo đường dẫn điện qua bảng mạch cho các ứng dụng khác nhau.


khoen đồng Chi tiết sản xuất


Copper Eyelets


Thông tin đóng gói


Copper Eyelets


Câu hỏi thường gặp:


Câu 1: Moq của bạn cho khoen đồng là gì?

MOQ cho đinh tán là 20.000 chiếc.


Câu 2: Bạn có thể điều chỉnh việc thực hiện bằng bản vẽ của chúng tôi không?

Có, hầu hết các đinh tán hình ống của chúng tôi đều được thiết kế riêng theo bản vẽ của khách hàng.


Câu 3: Bạn có thể cung cấp mẫu đinh tán rỗng miễn phí không?

Chúng tôi có thể cung cấp các mẫu miễn phí cho kích thước chúng tôi có trong kho, nhưng khách hàng sẽ phải trả phí Chuyển phát nhanh.


Q4: Thời gian giao hàng của bạn là gì?

Kích thước đinh tán trong kho: 3-5 ngày, Đinh tán không chuẩn: 15-25 ngày. Chúng tôi sẽ giao hàng trong thời gian sớm nhất với chất lượng đảm bảo.


Câu 5: Chất lượng sản phẩm của bạn?

Công ty có thiết bị sản xuất và thử nghiệm tiên tiến. Mọi sản phẩm sẽ được bộ phận QC của chúng tôi kiểm tra 100% trước khi giao hàng.


Câu 6: Tại sao chúng tôi chọn Công nghệ Nuote?

1.Chúng tôi Nuote tôn trọng các điều khoản của khách hàng để bảo vệ các dự án bảo mật của khách hàng.

2. Chất lượng cao với giá hấp dẫn

3. Thời gian thực hiện nhanh

4. Thỏa thuận vui vẻ và trung thực với khách hàng và đối tác

5. Quảng cáo bán hàng chuyên nghiệp trả lời yêu cầu của bạn trong 8 giờ.

6. Sản phẩm và dịch vụ của Nuote được bán cho hơn 70 quốc gia với danh tiếng tốt





Thẻ nóng: Khoen đồng
Danh mục liên quan
Gửi yêu cầu
Xin vui lòng gửi yêu cầu của bạn trong mẫu dưới đây. Chúng tôi sẽ trả lời bạn trong 24 giờ.
Những sảm phẩm tương tự
X
Chúng tôi sử dụng cookie để cung cấp cho bạn trải nghiệm duyệt web tốt hơn, phân tích lưu lượng truy cập trang web và cá nhân hóa nội dung. Bằng cách sử dụng trang web này, bạn đồng ý với việc chúng tôi sử dụng cookie. Chính sách bảo mật