Khoen đồng nhỏ

Khoen đồng nhỏ

Nuote Metals ở Đông Quản sản xuất khoen nhỏ bằng đồng thau cho những khách hàng có nhu cầu. Đây là những chiếc nhẫn kim loại nhỏ được làm từ đồng thau. Đồng thau là một vật liệu tốt - nó trông đẹp, không rỉ sét và giữ tốt. Chúng tôi tạo ra những khoen nhỏ bằng đồng thau với nhiều kích cỡ khác nhau, một số có đường kính nhỏ chỉ vài mm. Mỗi lô lỗ khoen nhỏ bằng đồng đều được kiểm tra xem các cạnh có nhẵn và hình dạng đồng đều hay không. Mọi người đến với chúng tôi khi họ cần những chiếc khoen nhỏ bằng đồng cho sản phẩm của mình. Chúng tôi có thể tạo mẫu trước để bạn có thể xem chúng trông như thế nào và vừa vặn như thế nào.

Gửi yêu cầu

Mô tả Sản phẩm

Giới thiệu khoen nhỏ bằng đồng

Khoen nhỏ bằng đồng thau được sử dụng để gia cố các lỗ trên vật liệu nhẹ. Người ta đặt chúng vào vải, da hoặc giấy để ngăn lỗ rách. Vì là đồng thau nên khoen nhỏ bằng đồng có màu vàng đẹp, không phai. Chúng cũng dễ dàng lắp đặt — chỉ cần ấn tay đơn giản hoặc máy nhỏ sẽ đẩy chúng vào đúng vị trí. Sau khi lắp đặt, các khoen nhỏ bằng đồng sẽ cố định và không bị lỏng. Kích thước nhỏ khiến chúng trở nên hoàn hảo cho những món đồ mỏng manh mà lỗ gắn lớn hơn sẽ trông không phù hợp.


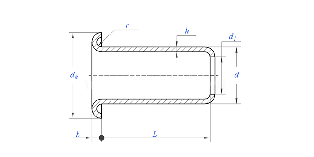
khoen nhỏ bằng đồng vẽ như sau:

Các vật liệu khác nhau của khoen chúng tôi làm

Chúng tôi sản xuất khoen bằng đồng, khoen inox và khoen thép, khoen nhôm, khoen đồng và khoen đặc biệt với nhiều kích cỡ khác nhau.

  


  


Các vật liệu khác nhau của lỗ khoen và đặc điểm của chúng

Vật liệu Đặc trưng Bề mặt hoàn thiện điển hình Ứng dụng điển hình Ưu điểm/Nhược điểm/Lưu ý
Thau Độ dẻo tốt, màu sắc hấp dẫn, dẫn điện tốt Mạ niken, mạ crom, mạ vàng, chải, cổ/lão hóa May mặc, hành lý, thắt lưng, linh kiện trang trí, đầu nối điện tử Ưu điểm: Dễ đóng dấu, có tính trang trí mạnh mẽ, chống ăn mòn tốt. Nhược điểm: Giá thành vừa phải đến cao; hàm lượng đồng có thể bị xỉn màu trong môi trường ẩm ướt.
Sắt / Thép Độ bền cao, chi phí thấp, từ tính Mạ kẽm, đen, sơn tĩnh điện, sơn điện tử, mạ kẽm nhúng nóng Thùng đựng hàng công nghiệp, hàng bạt, bạt, khoen đường dây điện Ưu điểm: Chi phí thấp, khả năng chịu tải cao. Nhược điểm: Khả năng chống ăn mòn kém nếu không có lớp phủ; tương đối nặng.
thép không gỉ Khả năng chống ăn mòn tuyệt vời, độ bền cao, không có từ tính hoặc từ tính yếu Đánh bóng, chải, thụ động (thường không mạ thêm) Thiết bị ngoài trời, thiết bị hàng hải, thiết bị y tế, môi trường hóa chất, hành lý cao cấp Ưu điểm: Bền bỉ, chịu được môi trường khắc nghiệt, đáp ứng yêu cầu vệ sinh. Nhược điểm: Giá thành cao; gây ra sự mài mòn dụng cụ cao hơn trong quá trình tạo hình.
Nhôm Mật độ thấp, nhẹ, dẫn điện tốt, tạo thành lớp oxit tự nhiên Anodized, phun cát, oxit tự nhiên, mạ kẽm Linh kiện nhẹ hàng không vũ trụ, thiết bị cầm tay, vỏ điện tử, hành lý nhẹ Ưu điểm: Nhẹ, chống ăn mòn (lớp oxit). Nhược điểm: Cường độ kém hơn thép; bề mặt mềm dễ bị trầy xước; không thích hợp cho các ứng dụng tải cao.
đồng Độ dẫn điện và nhiệt tuyệt vời, mềm mại Mạ thiếc, mạ bạc, mạ niken (để chống oxy hóa) Tán đinh PCB, đầu nối đất, kết nối che chắn tần số cao Ưu điểm: Độ dẫn điện và nhiệt vượt trội. Nhược điểm: Giá thành cao; dễ bị oxy hóa trong không khí; thường yêu cầu một lớp mạ bảo vệ.


Tính năng và ứng dụng sản phẩm

Khoen nhỏ bằng đồng được sử dụng trong rất nhiều thứ. Quần áo như áo hoodie và giày sử dụng chúng để buộc dây. Túi và ví nhỏ có khoen nhỏ bằng đồng để làm dây đeo. Các dự án thủ công như sổ lưu niệm sử dụng chúng để làm lỗ ruy băng. Ngay cả một số thiết bị điện tử và tiện ích cũng sử dụng các lỗ nhỏ bằng đồng thau để nối dây hoặc lắp đặt. Chúng cũng phổ biến trong đồ da, thắt lưng và mũ. Khi bạn cần một chiếc vòng kim loại nhỏ, đẹp và không bị rỉ sét, những chiếc khoen nhỏ bằng đồng sẽ đáp ứng được công việc đó. Khách hàng của chúng tôi sử dụng chúng trong tất cả các loại sản phẩm.


Quy trình đảm bảo chất lượng kim loại Nuote Giới thiệu về khoen


Sự khác biệt giữa lỗ gắn chất lượng cao và lỗ gắn chất lượng kém là gì?


Làm thế nào để đặt hàng khoen từ kim loại Nuote?

Chỉ cần làm theo biểu đồ quy trình tùy chỉnh dưới đây.


Câu hỏi thường gặp:

Câu 1: Moq của bạn cho khoen nhỏ bằng đồng là gì?

MOQ cho đinh tán là 20.000 chiếc.


Câu 2: Bạn có thể điều chỉnh việc thực hiện bằng bản vẽ của chúng tôi không?

Có, hầu hết các đinh tán hình ống của chúng tôi đều được thiết kế riêng theo bản vẽ của khách hàng.


Câu 3: Bạn có thể cung cấp mẫu đinh tán rỗng miễn phí không?

Chúng tôi có thể cung cấp các mẫu miễn phí cho kích thước chúng tôi có trong kho, nhưng khách hàng sẽ phải trả phí Chuyển phát nhanh.


Q4: Thời gian giao hàng của bạn là gì?

Kích thước đinh tán trong kho: 3-5 ngày, Đinh tán không chuẩn: 15-25 ngày. Chúng tôi sẽ giao hàng trong thời gian sớm nhất với chất lượng đảm bảo.


Câu 5: Chất lượng sản phẩm của bạn?

Công ty có thiết bị sản xuất và thử nghiệm tiên tiến. Mọi sản phẩm sẽ được bộ phận QC của chúng tôi kiểm tra 100% trước khi giao hàng.


Câu 6: Tại sao chúng tôi chọn Công nghệ Nuote?

1.Chúng tôi Nuote tôn trọng các điều khoản của khách hàng để bảo vệ các dự án bảo mật của khách hàng.

2. Chất lượng cao với giá hấp dẫn

3. Thời gian thực hiện nhanh

4. Thỏa thuận vui vẻ và trung thực với khách hàng và đối tác

5. Quảng cáo bán hàng chuyên nghiệp trả lời yêu cầu của bạn trong 8 giờ.

6. Sản phẩm và dịch vụ của Nuote được bán cho hơn 70 quốc gia với danh tiếng tốt

Thẻ nóng: Khoen đồng nhỏ, khoen đồng thau Trung Quốc, nhà sản xuất khoen đồng thau
Danh mục liên quan
Gửi yêu cầu
Xin vui lòng gửi yêu cầu của bạn trong mẫu dưới đây. Chúng tôi sẽ trả lời bạn trong 24 giờ.
X
Chúng tôi sử dụng cookie để cung cấp cho bạn trải nghiệm duyệt web tốt hơn, phân tích lưu lượng truy cập trang web và cá nhân hóa nội dung. Bằng cách sử dụng trang web này, bạn đồng ý với việc chúng tôi sử dụng cookie. Chính sách bảo mật