Vòng thép

Vòng thép

Xin chào từ Đông Quan, Trung Quốc. Chúng tôi là Nuote Metals. Chúng tôi chế tạo các vòng đệm thép chắc chắn ở đây. Nhà máy của chúng tôi sản xuất grommets thép mỗi ngày. Chúng tôi sử dụng vật liệu thép tốt. Thép này dày và bền. Chúng tôi sản xuất các ống thép với nhiều kích cỡ. Một số là nhỏ. Một số rất lớn. Mỗi vòng đệm thép đều được đội ngũ của chúng tôi kiểm tra. Họ xem xét cẩn thận từng phần. Nhiều khách hàng mua đi mua lại vòng đệm thép của chúng tôi. Họ thích chất lượng của chúng tôi. Họ tin tưởng sản phẩm của chúng tôi. Chúng tôi làm việc chăm chỉ để tạo ra những chiếc vòng thép tốt cho mọi người.

Gửi yêu cầu

Mô tả Sản phẩm

Giới thiệu Grommet thép

Vòng đệm thép là một vòng kim loại đơn giản. Nó đi vào các lỗ trên vải hoặc da. Vòng thép làm cho lỗ chắc chắn. Khi bạn luồn dây qua lỗ, lỗ sẽ không bị rách. Vòng đệm thép hoạt động tốt ở bên ngoài. Chúng không dễ bị rỉ sét. Mưa nắng không làm hại chúng nhiều. Để lắp vòng đệm thép vào, bạn cần có máy móc. Máy ép grommet thép vào vật liệu. Sau đó nó sẽ ở đó một thời gian dài. Nó không bị lỏng lẻo. Đây là cách các vòng đệm thép giúp mọi thứ bền lâu.



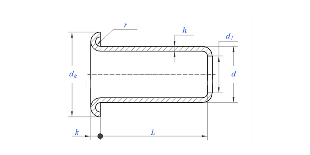
Thông số Grommet thép (Thông số kỹ thuật)



Vật liệu thép
Xử lý bề mặt Làm sạch, mạ kẽm, mạ niken, mạ bạc, theo yêu cầu
Giấy chứng nhận Tuân thủ Rohs
Đường kính thân 0,8-10mm
Sức chịu đựng +/- 0,05mm
Ứng dụng Thích hợp để sử dụng trong các ngành công nghiệp khác nhau, bao gồm ô tô, hàng không vũ trụ, điện và điện tử, v.v.
Kiểm soát chất lượng Kiểm tra toàn bộ 100% trong quá trình sản xuất đảm bảo rằng mỗi sản phẩm đều đáp ứng tiêu chuẩn ISO, đảm bảo sản phẩm chất lượng cao.




Bản vẽ Grommet thép như sau:


Tính năng và ứng dụng của Grommet thép

Lưới thép được sử dụng ở nhiều nơi. Bạt xe tải sử dụng vòng thép để buộc chặt. Lều cần có vòng thép để buộc dây. Túi có vòng đệm bằng thép cho tay cầm. Một số đôi giày sử dụng vòng thép để buộc dây. Quần áo lao động cũng có vòng thép. Biển hiệu ngoài trời thường sử dụng ống thép để treo. Ngay cả những chiếc thuyền cũng sử dụng vòng đệm thép để làm vỏ bọc. Vòng thép có ở khắp mọi nơi. Họ giúp giữ mọi thứ lại với nhau. và làm cho mọi thứ trở nên mạnh mẽ và an toàn. Khách hàng của chúng tôi chọn vòng đệm thép của chúng tôi vì chúng hoạt động tốt. Họ biết vòng thép của chúng tôi sẽ không làm họ thất vọng. Chúng tôi tự hào tạo ra những sản phẩm hữu ích như vậy ở Đông Quan.


Chi tiết Vòng thép

Thông tin đóng gói Grommet thép

Câu hỏi thường gặp:

Câu 1: Moq của bạn cho Steel Grommet là gì?

MOQ cho đinh tán là 20.000 chiếc.


Câu 2: Bạn có thể điều chỉnh việc thực hiện bằng bản vẽ của chúng tôi không?

Có, hầu hết các đinh tán hình ống của chúng tôi đều được thiết kế riêng theo bản vẽ của khách hàng.


Câu 3: Bạn có thể cung cấp mẫu đinh tán rỗng miễn phí không?

Chúng tôi có thể cung cấp các mẫu miễn phí cho kích thước chúng tôi có trong kho, nhưng khách hàng sẽ phải trả phí Chuyển phát nhanh.


Q4: Thời gian giao hàng của bạn là gì?

Kích thước đinh tán trong kho: 3-5 ngày, Đinh tán không chuẩn: 15-25 ngày. Chúng tôi sẽ giao hàng trong thời gian sớm nhất với chất lượng đảm bảo.


Câu 5: Chất lượng sản phẩm của bạn?

Công ty có thiết bị sản xuất và thử nghiệm tiên tiến. Mọi sản phẩm sẽ được bộ phận QC của chúng tôi kiểm tra 100% trước khi giao hàng.


Câu 6: Tại sao chúng tôi chọn Công nghệ Nuote?

1.Chúng tôi Nuote tôn trọng các điều khoản của khách hàng để bảo vệ các dự án bảo mật của khách hàng.

2. Chất lượng cao với giá hấp dẫn

3. Thời gian thực hiện nhanh

4. Thỏa thuận vui vẻ và trung thực với khách hàng và đối tác

5. Quảng cáo bán hàng chuyên nghiệp trả lời yêu cầu của bạn trong 8 giờ.

6. Sản phẩm và dịch vụ của Nuote được bán cho hơn 70 quốc gia với danh tiếng tốt

Thẻ nóng: Vòng đệm thép, Vòng đệm thép Trung Quốc, Nhà sản xuất Vòng đệm thép
Danh mục liên quan
Gửi yêu cầu
Xin vui lòng gửi yêu cầu của bạn trong mẫu dưới đây. Chúng tôi sẽ trả lời bạn trong 24 giờ.
Những sảm phẩm tương tự
X
Chúng tôi sử dụng cookie để cung cấp cho bạn trải nghiệm duyệt web tốt hơn, phân tích lưu lượng truy cập trang web và cá nhân hóa nội dung. Bằng cách sử dụng trang web này, bạn đồng ý với việc chúng tôi sử dụng cookie. Chính sách bảo mật