Khoen biểu ngữ

Khoen biểu ngữ

Chúng tôi là Nuote Metals đến từ Đông Quan, Trung Quốc. Chúng tôi làm lỗ gắn banner cho banner quảng cáo. Nhà máy của chúng tôi đã sản xuất khoen biểu ngữ trong nhiều năm. Chúng tôi sử dụng vật liệu chắc chắn để làm lỗ gắn biểu ngữ. Đồng thau và thép là vật liệu chính của chúng tôi. Chúng tôi làm các lỗ gắn biểu ngữ theo nhiều cách khác nhau kích thước. Biểu ngữ nhỏ sử dụng khoen biểu ngữ nhỏ. Biểu ngữ lớn cần lỗ gắn biểu ngữ lớn. Mỗi Dây giày biểu ngữ được kiểm tra bởi công nhân của chúng tôi trước khi vận chuyển. Họ đảm bảo mỗi phần đều hoàn hảo. Nhiều công ty quảng cáo sử dụng khoen biểu ngữ của chúng tôi. Họ thích chất lượng và giá cả tốt của chúng tôi. Chúng tôi có thể tạo mẫu nhanh chóng cho khách hàng mới.

Gửi yêu cầu

Mô tả Sản phẩm

Banner Khoen Giới Thiệu

Khoen biểu ngữ là vòng kim loại dành cho biểu ngữ. Chúng được đặt dọc theo các cạnh của biểu ngữ. Dây hoặc dây đi qua các lỗ treo biểu ngữ này. Các khoen biểu ngữ giúp biểu ngữ dễ dàng treo. Chúng bảo vệ các lỗ biểu ngữ khỏi bị rách. Khoen biểu ngữ tốt có thể chịu được gió và mưa. Chúng không bị rỉ sét hoặc dễ gãy. Việc lắp đặt lỗ gắn banner cần có máy đặc biệt. Máy ép từng lỗ gắn banner vào chất liệu banner. Sau đó, lỗ gắn biểu ngữ đã nằm chắc chắn tại chỗ. Điều này làm cho các biểu ngữ sẵn sàng để sử dụng ngoài trời.


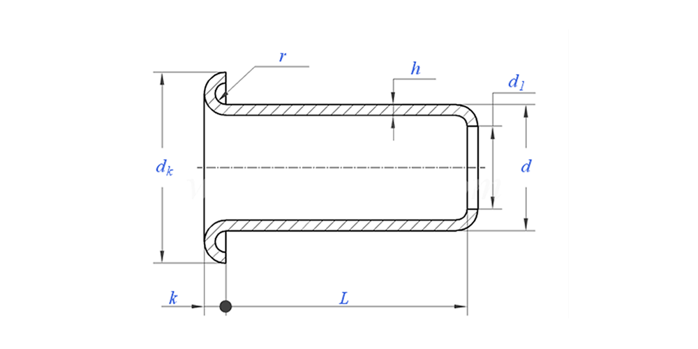
Thông số lỗ gắn biểu ngữ (Thông số kỹ thuật)



Vật liệu Đồng thau, thép, nhôm, thép không gỉ, đồng
Xử lý bề mặt Làm sạch, mạ kẽm, mạ niken, mạ bạc, theo yêu cầu
Giấy chứng nhận Tuân thủ Rohs
Đường kính thân 0,8-10mm
Sức chịu đựng +/- 0,05mm
Ứng dụng Thích hợp để sử dụng trong các ngành công nghiệp khác nhau, bao gồm ô tô, hàng không vũ trụ, điện và điện tử, v.v.
Kiểm soát chất lượng Kiểm tra toàn bộ 100% trong quá trình sản xuất đảm bảo rằng mỗi sản phẩm đều đáp ứng tiêu chuẩn ISO, đảm bảo sản phẩm chất lượng cao.



Biểu ngữ Khoen vẽ như dưới đây:

Ứng dụng khoen biểu ngữ hiển thị:

Tính năng và ứng dụng của lỗ gắn banner

Khoen biểu ngữ được sử dụng ở khắp mọi nơi. Các banner của cửa hàng cần có lỗ treo banner để treo. Các biểu ngữ sự kiện sử dụng lỗ gắn biểu ngữ làm cột. Các biểu ngữ đường phố có lỗ treo biểu ngữ để buộc dây. Các biểu ngữ thể thao cần có lỗ gắn biểu ngữ cho sân vận động. Biểu ngữ lễ hội cũng sử dụng khoen biểu ngữ. Ngay cả các bảng hiệu trong nhà đôi khi cũng cần có lỗ treo biểu ngữ. Những lỗ gắn biểu ngữ này giúp biểu ngữ tồn tại lâu hơn và trông gọn gàng hơn. Đó là lý do tại sao lỗ gắn biểu ngữ tốt lại quan trọng đối với quảng cáo. Khách hàng của chúng tôi tin tưởng vào lỗ gắn biểu ngữ của chúng tôi cho biểu ngữ của họ. Họ biết khoen biểu ngữ của chúng tôi hoạt động tốt trong mọi thời tiết.


Chi tiết sản xuất khoen biểu ngữ

Khoen biểu ngữ Thông tin đóng gói

Câu hỏi thường gặp:

Q1: MOQ của bạn cho Banner Eyelets là gì?

MOQ cho đinh tán là 20.000 chiếc.


Câu 2: Bạn có thể điều chỉnh việc thực hiện bằng bản vẽ của chúng tôi không?

Có, hầu hết các đinh tán hình ống của chúng tôi đều được thiết kế riêng theo bản vẽ của khách hàng.


Câu 3: Bạn có thể cung cấp mẫu đinh tán rỗng miễn phí không?

Chúng tôi có thể cung cấp các mẫu miễn phí cho kích thước chúng tôi có trong kho, nhưng khách hàng sẽ phải trả phí Chuyển phát nhanh.


Q4: Thời gian giao hàng của bạn là gì?

Kích thước đinh tán trong kho: 3-5 ngày, Đinh tán không chuẩn: 15-25 ngày. Chúng tôi sẽ giao hàng trong thời gian sớm nhất với chất lượng đảm bảo.


Câu 5: Chất lượng sản phẩm của bạn?

Công ty có thiết bị sản xuất và thử nghiệm tiên tiến. Mọi sản phẩm sẽ được bộ phận QC của chúng tôi kiểm tra 100% trước khi giao hàng.


Câu 6: Tại sao chúng tôi chọn Công nghệ Nuote?

1.Chúng tôi Nuote tôn trọng các điều khoản của khách hàng để bảo vệ các dự án bảo mật của khách hàng.

2. Chất lượng cao với giá hấp dẫn

3. Thời gian thực hiện nhanh

4. Thỏa thuận vui vẻ và trung thực với khách hàng và đối tác

5. Quảng cáo bán hàng chuyên nghiệp trả lời yêu cầu của bạn trong 8 giờ.

6. Sản phẩm và dịch vụ của Nuote được bán cho hơn 70 quốc gia với danh tiếng tốt


Thẻ nóng: Khoen biểu ngữ,Khoen biểu ngữ Trung Quốc,Nhà sản xuất khoen biểu ngữ
Danh mục liên quan
Gửi yêu cầu
Xin vui lòng gửi yêu cầu của bạn trong mẫu dưới đây. Chúng tôi sẽ trả lời bạn trong 24 giờ.
X
Chúng tôi sử dụng cookie để cung cấp cho bạn trải nghiệm duyệt web tốt hơn, phân tích lưu lượng truy cập trang web và cá nhân hóa nội dung. Bằng cách sử dụng trang web này, bạn đồng ý với việc chúng tôi sử dụng cookie. Chính sách bảo mật