Khoen giày

Khoen giày

Chúng tôi sản xuất Boot Eyelets hàng ngày tại Nuote Metals ở Đông Quan. Khoen là những vòng kim loại chắc chắn mà bạn nhìn thấy trên ủng. Các dây buộc đi qua chúng. Chúng tôi chế tạo Dây giày từ những vật liệu cứng. Họ cần phải tồn tại trong một thời gian dài. Chúng tôi sản xuất chúng với nhiều kích cỡ và hoàn thiện khác nhau. Một số thì sáng bóng, một số thì mờ. Tất cả chúng đều được làm để có độ bền cao.

Gửi yêu cầu

Mô tả Sản phẩm

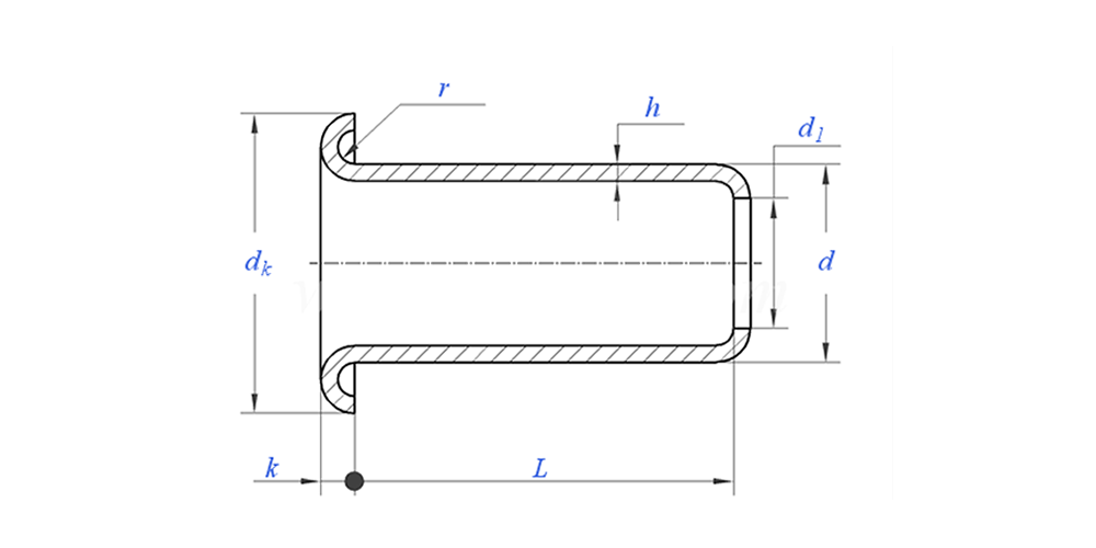
Giới thiệu khoen khởi động

Boot Eyelets có một công việc rất quan trọng. Chúng làm cho các lỗ ren chắc chắn hơn. Nếu không có chúng, các lỗ sẽ dễ bị rách. Khi bạn kéo chặt dây giày, Khoen giày sẽ chịu áp lực. Chúng còn giúp dây buộc di chuyển trơn tru. Điều này giúp bạn mang giày và cởi giày dễ dàng hơn.


bản vẽ khoen khởi động như dưới đây:


Thông số lỗ khoen khởi động (Thông số kỹ thuật)



Vật liệu Đồng thau, thép, nhôm, thép không gỉ, đồng
Xử lý bề mặt Làm sạch, mạ kẽm, mạ niken, mạ bạc, theo yêu cầu
Giấy chứng nhận Tuân thủ Rohs
Đường kính thân 0,8-10mm
Sức chịu đựng +/- 0,05mm
Ứng dụng Thích hợp để sử dụng trong các ngành công nghiệp khác nhau, bao gồm ô tô, hàng không vũ trụ, điện và điện tử, v.v.
Kiểm soát chất lượng Kiểm tra toàn bộ 100% trong quá trình sản xuất đảm bảo rằng mỗi sản phẩm đều đáp ứng tiêu chuẩn ISO, đảm bảo sản phẩm chất lượng cao.




Tính năng và ứng dụng của Boot Eyelets

Bạn có thể tìm thấy Boot Eyelets trên nhiều loại bốt. Giày bảo hộ lao động có chúng. Giày đi bộ đường dài sử dụng chúng. Giày quân sự cũng cần chúng. Ngay cả những đôi bốt da thời trang cũng có Boot Eyelets. Chúng giúp giữ cho đôi chân của bạn an toàn và thoải mái. Nếu không có Dây giày tốt, giày sẽ không vừa vặn hoặc không bền được lâu.


Chi tiết sản xuất khoen khởi động


Câu hỏi thường gặp:

Câu 1: Moq của bạn cho dây giày bốt là bao nhiêu?

MOQ cho đinh tán là 20.000 chiếc.


Câu 2: Bạn có thể điều chỉnh việc thực hiện bằng bản vẽ của chúng tôi không?

Có, hầu hết các đinh tán hình ống của chúng tôi đều được thiết kế riêng theo bản vẽ của khách hàng.


Câu 3: Bạn có thể cung cấp mẫu đinh tán rỗng miễn phí không?

Chúng tôi có thể cung cấp các mẫu miễn phí cho kích thước chúng tôi có trong kho, nhưng khách hàng sẽ phải trả phí Chuyển phát nhanh.


Q4: Thời gian giao hàng của bạn là gì?

Kích thước đinh tán trong kho: 3-5 ngày, Đinh tán không chuẩn: 15-25 ngày. Chúng tôi sẽ giao hàng trong thời gian sớm nhất với chất lượng đảm bảo.


Câu 5: Chất lượng sản phẩm của bạn?

Công ty có thiết bị sản xuất và thử nghiệm tiên tiến. Mọi sản phẩm sẽ được bộ phận QC của chúng tôi kiểm tra 100% trước khi giao hàng.


Câu 6: Tại sao chúng tôi chọn Công nghệ Nuote?

1.Chúng tôi Nuote tôn trọng các điều khoản của khách hàng để bảo vệ các dự án bảo mật của khách hàng.

2. Chất lượng cao với giá hấp dẫn

3. Thời gian thực hiện nhanh

4. Thỏa thuận vui vẻ và trung thực với khách hàng và đối tác

5. Quảng cáo bán hàng chuyên nghiệp trả lời yêu cầu của bạn trong 8 giờ.

6. Sản phẩm và dịch vụ của Nuote được bán cho hơn 70 quốc gia với danh tiếng tốt


Thẻ nóng: Khoen Boot,Khoen Boot Trung Quốc,Nhà sản xuất Khoen Boot
Danh mục liên quan
Gửi yêu cầu
Xin vui lòng gửi yêu cầu của bạn trong mẫu dưới đây. Chúng tôi sẽ trả lời bạn trong 24 giờ.
X
Chúng tôi sử dụng cookie để cung cấp cho bạn trải nghiệm duyệt web tốt hơn, phân tích lưu lượng truy cập trang web và cá nhân hóa nội dung. Bằng cách sử dụng trang web này, bạn đồng ý với việc chúng tôi sử dụng cookie. Chính sách bảo mật