Lỗ gắn và máy giặt

Lỗ gắn và máy giặt

Bạn có thể tìm thấy lỗ khoen và vòng đệm trong nhiều vật dụng hàng ngày. Chúng là những bộ phận kim loại nhỏ. Lỗ gắn giống như một chiếc vòng nhỏ và vòng đệm là một đĩa phẳng. Chúng được ép lại với nhau để tạo ra một lỗ nhẵn, chắc chắn trên các vật liệu như vải hoặc nhựa. Điều này ngăn chặn vật liệu bị rách. Ở Trung Quốc, Nuote Metals sản xuất những bộ phận nhỏ nhưng hữu ích này. chúng tôi sản xuất nhiều loại lỗ gắn và vòng đệm cho các công việc khác nhau.

Gửi yêu cầu

Mô tả Sản phẩm

Giới thiệu lỗ gắn và máy giặt

Điều làm cho lỗ gắn và vòng đệm trở nên hữu ích là chúng rất đơn giản. Bạn xỏ lỗ khoen qua một lỗ trên vật liệu. Sau đó, bạn đặt máy giặt ở mặt sau. Một chiếc máy ép vào chúng, ép các mảnh lại với nhau. Điều này khóa chặt vật liệu ở giữa. Kết quả là một lỗ sạch, chắc chắn và không dễ bị mòn. Do thiết kế đơn giản này nên lỗ gắn và vòng đệm là một giải pháp rất đáng tin cậy.


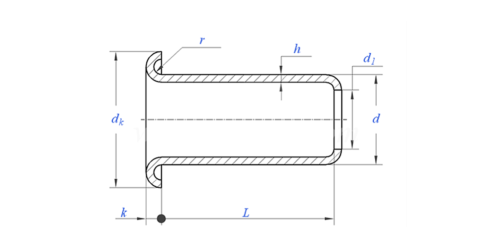
bản vẽ lỗ gắn và máy giặt như sau:

chương trình ứng dụng dây giày và máy giặt:

Thông số lỗ gắn và vòng đệm (Thông số kỹ thuật)

Vật liệu Thau
xử lý bề mặt Làm sạch, mạ kẽm, mạ niken, mạ bạc, theo yêu cầu
Loại đầu Đinh tán rắn đầu tròn
Giấy chứng nhận Tuân thủ Rohs
Đường kính thân 0,8-8mm
Sức chịu đựng +/- 0,05mm
Ứng dụng Thích hợp để sử dụng trong các ngành công nghiệp khác nhau, bao gồm ô tô, hàng không vũ trụ, điện và điện tử, v.v.
Kiểm soát chất lượng Kiểm tra toàn bộ 100% trong quá trình sản xuất đảm bảo rằng mỗi sản phẩm đều đáp ứng tiêu chuẩn ISO, đảm bảo sản phẩm chất lượng cao.




Tính năng và ứng dụng của lỗ gắn và máy giặt

Một ví dụ điển hình về nơi bạn nhìn thấy lỗ xâu và vòng đệm là trên can dầu. Nhiều lon dầu có vòi kim loại nhỏ để rót. Vòi này được sử dụng nhiều và có thể dễ dàng bị rách. Nhưng nếu để ý kỹ, bạn sẽ thường thấy một vòng kim loại nhỏ gia cố cho lỗ mở. Đó là lỗ gắn và máy giặt đang hoạt động. Nó làm cho vòi chắc chắn và ngăn ngừa rò rỉ, nhờ đó dầu có thể tồn tại được lâu. Đó là một cách sử dụng hoàn hảo cho cặp bộ phận đơn giản này.


Chi tiết sản xuất lỗ gắn và vòng đệm

Thông tin đóng gói

Câu hỏi thường gặp:

Câu 1: Moq của bạn cho dây giày và máy giặt là gì?

MOQ cho đinh tán là 20.000 chiếc.


Câu 2: Bạn có thể điều chỉnh việc thực hiện bằng bản vẽ của chúng tôi không?

Có, hầu hết các đinh tán hình ống của chúng tôi đều được thiết kế riêng theo bản vẽ của khách hàng.


Câu 3: Bạn có thể cung cấp mẫu đinh tán rỗng miễn phí không?

Chúng tôi có thể cung cấp các mẫu miễn phí cho kích thước chúng tôi có trong kho, nhưng khách hàng sẽ phải trả phí Chuyển phát nhanh.


Q4: Thời gian giao hàng của bạn là gì?

Kích thước đinh tán trong kho: 3-5 ngày, Đinh tán không chuẩn: 15-25 ngày. Chúng tôi sẽ giao hàng trong thời gian sớm nhất với chất lượng đảm bảo.


Câu 5: Chất lượng sản phẩm của bạn?

Công ty có thiết bị sản xuất và thử nghiệm tiên tiến. Mọi sản phẩm sẽ được bộ phận QC của chúng tôi kiểm tra 100% trước khi giao hàng.


Câu 6: Tại sao chúng tôi chọn Công nghệ Nuote?

1.Chúng tôi Nuote tôn trọng các điều khoản của khách hàng để bảo vệ các dự án bảo mật của khách hàng.

2. Chất lượng cao với giá hấp dẫn

3. Thời gian thực hiện nhanh

4. Thỏa thuận vui vẻ và trung thực với khách hàng và đối tác

5. Quảng cáo bán hàng chuyên nghiệp trả lời yêu cầu của bạn trong 8 giờ.

6. Sản phẩm và dịch vụ của Nuote được bán cho hơn 70 quốc gia với danh tiếng tốt


Thẻ nóng: Dây giày và vòng đệm,Nhà sản xuất lỗ gắn và vòng đệm Trung Quốc,Nhà sản xuất lỗ gắn và vòng đệm
Danh mục liên quan
Gửi yêu cầu
Xin vui lòng gửi yêu cầu của bạn trong mẫu dưới đây. Chúng tôi sẽ trả lời bạn trong 24 giờ.
X
Chúng tôi sử dụng cookie để cung cấp cho bạn trải nghiệm duyệt web tốt hơn, phân tích lưu lượng truy cập trang web và cá nhân hóa nội dung. Bằng cách sử dụng trang web này, bạn đồng ý với việc chúng tôi sử dụng cookie. Chính sách bảo mật