Khoen kim loại

Khoen kim loại

Bạn có thể đã nhìn thấy khoen kim loại nhiều lần mà không hề nhận ra. Chúng là những vòng kim loại nhỏ giúp gia cố các lỗ trên tất cả các loại sản phẩm. Lỗ gắn kim loại có thể trông đơn giản nhưng nó được thiết kế để giải quyết một vấn đề phổ biến: ngăn chặn các lỗ bị rách hoặc mòn. Cho dù nó ở trong giày hay ba lô của bạn, bộ phận nhỏ này sẽ hoạt động tích cực để giúp mọi thứ bền lâu hơn.

Gửi yêu cầu

Mô tả Sản phẩm

Giới thiệu lỗ gắn kim loại

Việc lắp một lỗ kim loại vào khá đơn giản. Bạn đặt phần chính xuyên qua vật liệu, sau đó ấn miếng đệm vào mặt sau. Các công cụ đặc biệt có thể thực hiện việc này một cách nhanh chóng, nhưng ngay cả những công cụ đơn giản cũng có thể hoạt động tốt. Điều tuyệt vời ở lỗ gắn kim loại là cách nó bảo vệ vật liệu xung quanh lỗ khỏi bị mài mòn, giữ cho mọi thứ gọn gàng và chắc chắn.


Chương trình ứng dụng Metal Eyelet:

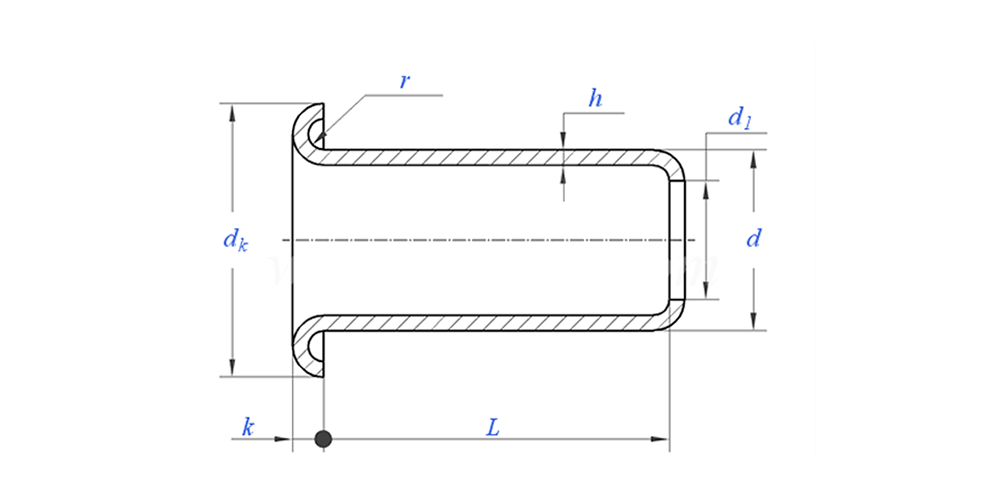
bản vẽ lỗ gắn kim loại như sau:


Thông số khoen kim loại (Thông số kỹ thuật)



Vật liệu Đồng thau, thép, nhôm, thép không gỉ, đồng
xử lý bề mặt Làm sạch, mạ kẽm, mạ niken, mạ bạc, theo yêu cầu
Giấy chứng nhận Tuân thủ Rohs
Đường kính thân 0,8-10mm
Sức chịu đựng +/- 0,05mm
Ứng dụng Thích hợp để sử dụng trong các ngành công nghiệp khác nhau, bao gồm ô tô, hàng không vũ trụ, điện và điện tử, v.v.
Kiểm soát chất lượng Kiểm tra toàn bộ 100% trong quá trình sản xuất đảm bảo rằng mỗi sản phẩm đều đáp ứng tiêu chuẩn ISO, đảm bảo sản phẩm chất lượng cao.



Tính năng và ứng dụng của khoen kim loại

Bạn sẽ ngạc nhiên vì có rất nhiều nơi bạn có thể tìm thấy những chiếc khoen kim loại đang hoạt động chăm chỉ. Chúng chính là lý do khiến lỗ buộc giày của bạn không bị rách sau nhiều lần sử dụng. Trong các thiết bị ngoài trời như lều và cánh buồm, khoen kim loại có thể xử lý các điều kiện thời tiết khắc nghiệt mà không bị hỏng. Chúng cũng rất cần thiết trong môi trường công nghiệp, giúp sắp xếp dây cáp và dây điện. Bất cứ nơi nào có lỗ cần được bảo vệ, bạn có thể sẽ tìm thấy lỗ kim loại đang thực hiện công việc của mình.


Chi tiết sản xuất lỗ gắn kim loại

Thông tin đóng gói

Câu hỏi thường gặp:

Câu 1: Moq của bạn cho lỗ gắn kim loại là gì?

MOQ cho đinh tán là 20.000 chiếc.


Câu 2: Bạn có thể điều chỉnh việc thực hiện bằng bản vẽ của chúng tôi không?

Có, hầu hết các đinh tán hình ống của chúng tôi đều được thiết kế riêng theo bản vẽ của khách hàng.


Câu 3: Bạn có thể cung cấp mẫu đinh tán rỗng miễn phí không?

Chúng tôi có thể cung cấp các mẫu miễn phí cho kích thước chúng tôi có trong kho, nhưng khách hàng sẽ phải trả phí Chuyển phát nhanh.


Q4: Thời gian giao hàng của bạn là gì?

Kích thước đinh tán trong kho: 3-5 ngày, Đinh tán không chuẩn: 15-25 ngày. Chúng tôi sẽ giao hàng trong thời gian sớm nhất với chất lượng đảm bảo.


Câu 5: Chất lượng sản phẩm của bạn?

Công ty có thiết bị sản xuất và thử nghiệm tiên tiến. Mọi sản phẩm sẽ được bộ phận QC của chúng tôi kiểm tra 100% trước khi giao hàng.


Câu 6: Tại sao chúng tôi chọn Công nghệ Nuote?

1.Chúng tôi Nuote tôn trọng các điều khoản của khách hàng để bảo vệ các dự án bảo mật của khách hàng.

2. Chất lượng cao với giá hấp dẫn

3. Thời gian thực hiện nhanh

4. Thỏa thuận vui vẻ và trung thực với khách hàng và đối tác

5. Quảng cáo bán hàng chuyên nghiệp trả lời yêu cầu của bạn trong 8 giờ.

6. Sản phẩm và dịch vụ của Nuote được bán cho hơn 70 quốc gia với danh tiếng tốt


Thẻ nóng: Khoen Kim Loại,Khoen Kim Loại Trung Quốc,Nhà Máy Khoen Kim Loại
Danh mục liên quan
Gửi yêu cầu
Xin vui lòng gửi yêu cầu của bạn trong mẫu dưới đây. Chúng tôi sẽ trả lời bạn trong 24 giờ.
X
Chúng tôi sử dụng cookie để cung cấp cho bạn trải nghiệm duyệt web tốt hơn, phân tích lưu lượng truy cập trang web và cá nhân hóa nội dung. Bằng cách sử dụng trang web này, bạn đồng ý với việc chúng tôi sử dụng cookie. Chính sách bảo mật