Khoen PCB

Khoen PCB

Khoen PCB là những vòng kim loại nhỏ được thiết kế để lắp vào bảng mạch. Nó có thể trông đơn giản, nhưng nó đóng một vai trò quan trọng. Mọi người sử dụng chúng để tạo ra các lỗ chắc chắn và đáng tin cậy trên PCB. Thành phần nhỏ này giúp đảm bảo các kết nối không bị hỏng trong quá trình lắp ráp hoặc sử dụng. Nuote Metals rất vui được giúp bạn biết thêm về khoen cho PCB.

Gửi yêu cầu

Mô tả Sản phẩm

Giới thiệu khoen PCB

Công việc chính của lỗ gắn PCB là gia cố lỗ. Nó thường được làm bằng đồng thau và thường được mạ thiếc hoặc hàn. Điều này giúp dễ dàng hàn các thành phần vào nó. Khi ấn vào bảng, lỗ gắn PCB sẽ gia cố lỗ, ngăn ngừa vết nứt trên vết đồng. Nó hoạt động giống như một lớp bọc bền để bảo vệ vật liệu bảng mạch mỏng manh.


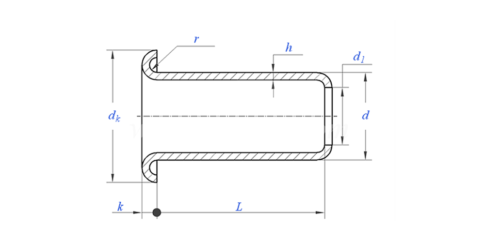
Bản vẽ khoen PCB như sau:

Thông số lỗ gắn PCB (Thông số kỹ thuật)



Vật liệu Thau
xử lý bề mặt Làm sạch, mạ kẽm, mạ niken, mạ bạc, theo yêu cầu
Giấy chứng nhận Tuân thủ Rohs
Đường kính thân 0,8-10mm
Sức chịu đựng +/- 0,05mm
Ứng dụng Thích hợp để sử dụng trong các ngành công nghiệp khác nhau, bao gồm ô tô, hàng không vũ trụ, điện và điện tử, v.v.
Kiểm soát chất lượng Kiểm tra toàn bộ 100% trong quá trình sản xuất đảm bảo rằng mỗi sản phẩm đều đáp ứng tiêu chuẩn ISO, đảm bảo sản phẩm chất lượng cao.



Ứng dụng khoen PCB hiển thị:


Tính năng và ứng dụng của khoen PCB

Bạn sẽ tìm thấy khoen PCB được sử dụng trong nhiều sản phẩm điện tử. Chúng hoàn hảo cho những nơi cần điểm kết nối mạnh mẽ, như máy biến áp hoặc chân linh kiện lớn. Lỗ gắn PCB cũng phổ biến ở các điểm kiểm tra, nơi đầu dò có thể kết nối nhiều lần. Trong các công tắc hoặc đầu nối, lỗ gắn PCB đảm bảo ứng suất cơ học tác động lên ống bọc kim loại chứ không phải lên bản thân tấm bảng dễ vỡ. Chúng rất cần thiết để tạo ra các thiết bị điện tử bền lâu.


Khoen PCB Chi tiết sản xuất

Thông tin đóng gói

Câu hỏi thường gặp:

Câu 1: Moq của bạn cho khoen PCB là gì?

MOQ cho đinh tán là 20.000 chiếc.


Câu 2: Bạn có thể điều chỉnh việc thực hiện bằng bản vẽ của chúng tôi không?

Có, hầu hết các đinh tán hình ống của chúng tôi đều được thiết kế riêng theo bản vẽ của khách hàng.


Câu 3: Bạn có thể cung cấp mẫu đinh tán rỗng miễn phí không?

Chúng tôi có thể cung cấp các mẫu miễn phí cho kích thước chúng tôi có trong kho, nhưng khách hàng sẽ phải trả phí Chuyển phát nhanh.


Q4: Thời gian giao hàng của bạn là gì?

Kích thước đinh tán trong kho: 3-5 ngày, Đinh tán không chuẩn: 15-25 ngày. Chúng tôi sẽ giao hàng trong thời gian sớm nhất với chất lượng đảm bảo.


Câu 5: Chất lượng sản phẩm của bạn?

Công ty có thiết bị sản xuất và thử nghiệm tiên tiến. Mọi sản phẩm sẽ được bộ phận QC của chúng tôi kiểm tra 100% trước khi giao hàng.


Câu 6: Tại sao chúng tôi chọn Công nghệ Nuote?

1.Chúng tôi Nuote tôn trọng các điều khoản của khách hàng để bảo vệ các dự án bảo mật của khách hàng.

2. Chất lượng cao với giá hấp dẫn

3. Thời gian thực hiện nhanh

4. Thỏa thuận vui vẻ và trung thực với khách hàng và đối tác

5. Quảng cáo bán hàng chuyên nghiệp trả lời yêu cầu của bạn trong 8 giờ.

6. Sản phẩm và dịch vụ của Nuote được bán cho hơn 70 quốc gia với danh tiếng tốt


Thẻ nóng: Khoen PCB, Khoen PCB, Khoen PCB Trung Quốc
Danh mục liên quan
Gửi yêu cầu
Xin vui lòng gửi yêu cầu của bạn trong mẫu dưới đây. Chúng tôi sẽ trả lời bạn trong 24 giờ.
X
Chúng tôi sử dụng cookie để cung cấp cho bạn trải nghiệm duyệt web tốt hơn, phân tích lưu lượng truy cập trang web và cá nhân hóa nội dung. Bằng cách sử dụng trang web này, bạn đồng ý với việc chúng tôi sử dụng cookie. Chính sách bảo mật