Khoen đinh tán

Khoen đinh tán

Khoen đinh tán là những chiếc ốc vít hình vòng nhỏ. Nó được thiết kế để đặt vào một cái lỗ, sau đó vành của nó được gấp lại để giữ các vật liệu lại với nhau. Nuote Metals ở Đông Quan là một nhà máy đáng tin cậy để sản xuất những bộ phận hữu ích này.

Gửi yêu cầu

Mô tả Sản phẩm

Giới thiệu khoen đinh tán

Đặc điểm chính của lỗ đinh tán là phần tâm rỗng của nó. Lỗ này làm cho nó nhẹ hơn một chiếc đinh tán rắn. Nó cũng cho phép những thứ như dây điện đi qua. Lắp đặt lỗ đinh tán là một quá trình nhanh chóng và đơn giản, đó là lý do tại sao chúng rất được ưa chuộng trong sản xuất.


Ứng dụng hiển thị:

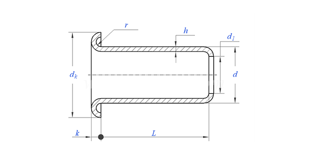
Khoen đinh tán vẽ như dưới đây:



Thông số lỗ đinh tán (Thông số kỹ thuật)



Vật liệu Đồng thau, thép, nhôm, thép không gỉ, đồng
Xử lý bề mặt Làm sạch, mạ kẽm, mạ niken, mạ bạc, theo yêu cầu
Giấy chứng nhận Tuân thủ Rohs
Đường kính thân 0,8-10mm
Sức chịu đựng +/- 0,05mm
Ứng dụng Thích hợp để sử dụng trong các ngành công nghiệp khác nhau, bao gồm ô tô, hàng không vũ trụ, điện và điện tử, v.v.
Kiểm soát chất lượng Kiểm tra toàn bộ 100% trong quá trình sản xuất đảm bảo rằng mỗi sản phẩm đều đáp ứng tiêu chuẩn ISO, đảm bảo sản phẩm chất lượng cao.




Tính năng và ứng dụng của đinh tán

Bạn có thể tìm thấy khoen đinh tán trong nhiều sản phẩm thông dụng. Chúng được sử dụng trong giày để xỏ lỗ ren và trong túi để gắn dây đeo. Chúng cũng rất quan trọng trong các thiết bị điện tử và phụ tùng ô tô. Trong tất cả các mục đích sử dụng này, lỗ gắn đinh tán mang lại sự kết nối chắc chắn và lâu dài.


Chi tiết lỗ đinh tán

Thông tin đóng gói

Câu hỏi thường gặp:

Câu 1: Moq của bạn cho khoen đinh tán là gì?

MOQ cho đinh tán là 20.000 chiếc.


Câu 2: Bạn có thể điều chỉnh việc thực hiện bằng bản vẽ của chúng tôi không?

Có, hầu hết các đinh tán hình ống của chúng tôi đều được thiết kế riêng theo bản vẽ của khách hàng.


Câu 3: Bạn có thể cung cấp mẫu đinh tán rỗng miễn phí không?

Chúng tôi có thể cung cấp các mẫu miễn phí cho kích thước chúng tôi có trong kho, nhưng khách hàng sẽ phải trả phí Chuyển phát nhanh.


Q4: Thời gian giao hàng của bạn là gì?

Kích thước đinh tán trong kho: 3-5 ngày, Đinh tán không chuẩn: 15-25 ngày. Chúng tôi sẽ giao hàng trong thời gian sớm nhất với chất lượng đảm bảo.


Câu 5: Chất lượng sản phẩm của bạn?

Công ty có thiết bị sản xuất và thử nghiệm tiên tiến. Mọi sản phẩm sẽ được bộ phận QC của chúng tôi kiểm tra 100% trước khi giao hàng.


Câu 6: Tại sao chúng tôi chọn Công nghệ Nuote?

1.Chúng tôi Nuote tôn trọng các điều khoản của khách hàng để bảo vệ các dự án bảo mật của khách hàng.

2. Chất lượng cao với giá hấp dẫn

3. Thời gian thực hiện nhanh

4. Thỏa thuận vui vẻ và trung thực với khách hàng và đối tác

5. Quảng cáo bán hàng chuyên nghiệp trả lời yêu cầu của bạn trong 8 giờ.

6. Sản phẩm và dịch vụ của Nuote được bán cho hơn 70 quốc gia với danh tiếng tốt


Thẻ nóng: Khoen đinh tán,Khoen đinh tán Trung Quốc,Nhà sản xuất khoen đinh tán
Danh mục liên quan
Gửi yêu cầu
Xin vui lòng gửi yêu cầu của bạn trong mẫu dưới đây. Chúng tôi sẽ trả lời bạn trong 24 giờ.
X
Chúng tôi sử dụng cookie để cung cấp cho bạn trải nghiệm duyệt web tốt hơn, phân tích lưu lượng truy cập trang web và cá nhân hóa nội dung. Bằng cách sử dụng trang web này, bạn đồng ý với việc chúng tôi sử dụng cookie. Chính sách bảo mật