Khoen lều

Khoen lều

Chúng tôi là Nuote Metals từ Đông Quan Trung Quốc. Nhà máy của chúng tôi sản xuất khoen lều chắc chắn để sử dụng ngoài trời. Chúng tôi đã làm lỗ khoen lều trong nhiều năm. Khoen lều của chúng tôi được làm từ vật liệu tốt. Chúng tôi sử dụng thép không gỉ và đồng thau không rỉ sét. Chúng tôi làm lỗ khoen lều với nhiều kích cỡ khác nhau. Một số nhỏ dành cho lều nhẹ. Một số lớn cho lều nặng. Mỗi lỗ gắn lều đều được kiểm tra bởi công nhân của chúng tôi. Họ đảm bảo mọi lỗ gắn lều đều hoàn hảo. Nhiều công ty cắm trại mua khoen lều của chúng tôi. Họ thích chất lượng tốt và giá cả hợp lý của chúng tôi.

Gửi yêu cầu

Mô tả Sản phẩm

Giới thiệu khoen lều

Khoen lều là những vòng kim loại dành cho lều. Chúng được đặt trên vải lều. Dây thừng và cột xuyên qua các lỗ khoen lều này. Các khoen lều giúp lều chắc chắn và ổn định. Chúng giúp vải lều không bị rách khi có gió. Khoen lều tốt có thể tồn tại trong nhiều năm. Ngay cả trong mưa và nắng, chúng không bị vỡ. Việc xỏ lỗ vào lều cần có một chiếc máy đặc biệt. Máy ép lỗ xâu lều vào vải. Sau đó lỗ khoen lều vẫn ở đó chắc chắn.



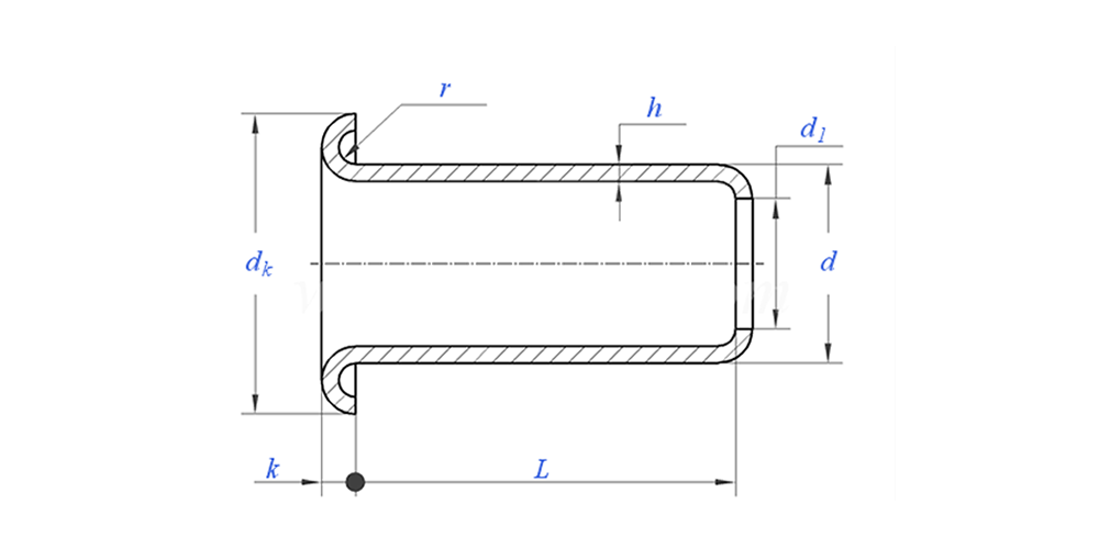
Thông số khoen lều (Thông số kỹ thuật)



Vật liệu Đồng thau, thép, nhôm, thép không gỉ, đồng
xử lý bề mặt Làm sạch, mạ kẽm, mạ niken, mạ bạc, theo yêu cầu
Giấy chứng nhận Tuân thủ Rohs
Đường kính thân 0,8-10mm
Sức chịu đựng +/- 0,05mm
Ứng dụng Thích hợp để sử dụng trong các ngành công nghiệp khác nhau, bao gồm ô tô, hàng không vũ trụ, điện và điện tử, v.v.
Kiểm soát chất lượng Kiểm tra toàn bộ 100% trong quá trình sản xuất đảm bảo rằng mỗi sản phẩm đều đáp ứng tiêu chuẩn ISO, đảm bảo sản phẩm chất lượng cao.


Bản vẽ lỗ khoen lều như sau:

Ứng dụng hiển thị:


Tính năng và ứng dụng của khoen lều

Khoen lều được sử dụng theo nhiều cách. Tất cả các lều cắm trại đều cần có lỗ khoen lều. Lều gia đình lớn sử dụng nhiều lỗ khoen lều. Lều che nắng ngoài trời cũng sử dụng lỗ khoen lều. Một số túi có lỗ để buộc dây. Bạt dùng lỗ để buộc lều. Thậm chí một số thiết bị thể thao cũng cần có lỗ xỏ lều. Các lỗ khoen trong lều giúp cho các thiết bị ngoài trời trở nên an toàn và bền bỉ. Đó là lý do tại sao khoen lều chất lượng lại quan trọng đối với các sản phẩm ngoài trời. Khách hàng tin tưởng lỗ khoen lều của chúng tôi cho nhu cầu cắm trại của họ.


Chi tiết sản xuất lỗ gắn quần áo

Thông tin đóng gói

Câu hỏi thường gặp:

Câu 1: Moq của bạn cho Khoen lều là gì?

MOQ cho đinh tán là 20.000 chiếc.


Câu 2: Bạn có thể điều chỉnh việc thực hiện bằng bản vẽ của chúng tôi không?

Có, hầu hết các đinh tán hình ống của chúng tôi đều được thiết kế riêng theo bản vẽ của khách hàng.


Câu 3: Bạn có thể cung cấp mẫu đinh tán rỗng miễn phí không?

Chúng tôi có thể cung cấp các mẫu miễn phí cho kích thước chúng tôi có trong kho, nhưng khách hàng sẽ phải trả phí Chuyển phát nhanh.


Q4: Thời gian giao hàng của bạn là gì?

Kích thước đinh tán trong kho: 3-5 ngày, Đinh tán không chuẩn: 15-25 ngày. Chúng tôi sẽ giao hàng trong thời gian sớm nhất với chất lượng đảm bảo.


Câu 5: Chất lượng sản phẩm của bạn?

Công ty có thiết bị sản xuất và thử nghiệm tiên tiến. Mọi sản phẩm sẽ được bộ phận QC của chúng tôi kiểm tra 100% trước khi giao hàng.


Câu 6: Tại sao chúng tôi chọn Công nghệ Nuote?

1.Chúng tôi Nuote tôn trọng các điều khoản của khách hàng để bảo vệ các dự án bảo mật của khách hàng.

2. Chất lượng cao với giá hấp dẫn

3. Thời gian thực hiện nhanh

4. Thỏa thuận vui vẻ và trung thực với khách hàng và đối tác

5. Quảng cáo bán hàng chuyên nghiệp trả lời yêu cầu của bạn trong 8 giờ.

6. Sản phẩm và dịch vụ của Nuote được bán cho hơn 70 quốc gia với danh tiếng tốt


Thẻ nóng: Khoen lều,Nhà sản xuất khoen lều,Khoen lều Trung Quốc
Danh mục liên quan
Gửi yêu cầu
Xin vui lòng gửi yêu cầu của bạn trong mẫu dưới đây. Chúng tôi sẽ trả lời bạn trong 24 giờ.
X
Chúng tôi sử dụng cookie để cung cấp cho bạn trải nghiệm duyệt web tốt hơn, phân tích lưu lượng truy cập trang web và cá nhân hóa nội dung. Bằng cách sử dụng trang web này, bạn đồng ý với việc chúng tôi sử dụng cookie. Chính sách bảo mật