Đinh tán lỗ gắn

Đinh tán lỗ gắn

Đinh tán có lỗ gắn là một loại dây buộc nhỏ nhưng hữu ích. Nó có hình dạng giống như một ống ngắn và thường được làm bằng đồng thau hoặc thép. Khi lắp đặt, phần đuôi của đinh tán sẽ loe ra để liên kết các vật liệu lại với nhau một cách chắc chắn. Nhiều công ty trên khắp thế giới sản xuất những bộ phận đáng tin cậy này. Nuote Metals có trụ sở tại Đông Quan, Trung Quốc, là nhà sản xuất nổi tiếng về đinh tán có lỗ gắn chất lượng.

Gửi yêu cầu

Mô tả Sản phẩm

Giới thiệu đinh tán lỗ gắn

Đinh tán có lỗ gắn hoạt động bằng cách tạo ra một liên kết bền vững, bền chặt giữa các vật liệu. Không giống như đinh tán đặc, nó có tâm rỗng. Lỗ này làm cho lỗ đinh tán có trọng lượng nhẹ. Nó cũng có thể cho dây hoặc cáp nhỏ đi qua. Việc đặt đinh tán vào đúng vị trí rất nhanh chóng và dễ dàng. Đó là lý do tại sao rất nhiều nhà máy thích sử dụng nó.


Thông số đinh tán lỗ gắn (Thông số kỹ thuật)

Vật liệu Đồng thau, thép, nhôm, thép không gỉ, đồng
xử lý bề mặt Làm sạch, mạ kẽm, mạ niken, mạ bạc, theo yêu cầu
Giấy chứng nhận Tuân thủ Rohs
Đường kính thân 0,8-10mm
Sức chịu đựng +/- 0,05mm
Ứng dụng Thích hợp để sử dụng trong các ngành công nghiệp khác nhau, bao gồm ô tô, hàng không vũ trụ, điện và điện tử, v.v.
Kiểm soát chất lượng Kiểm tra toàn bộ 100% trong quá trình sản xuất đảm bảo rằng mỗi sản phẩm đều đáp ứng tiêu chuẩn ISO, đảm bảo sản phẩm chất lượng cao.



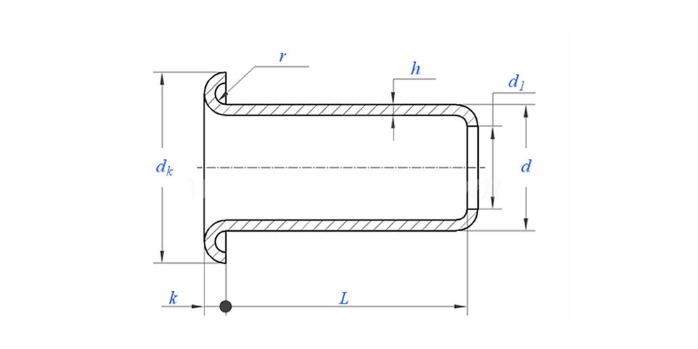
bản vẽ đinh tán lỗ gắn như dưới đây:


Tính năng và ứng dụng của đinh tán lỗ gắn

Bạn có thể tìm thấy đinh tán có lỗ gắn trong nhiều vật dụng hàng ngày. Nó được sử dụng trong giày để buộc dây và trong túi để làm dây đai. Phần nhỏ này cũng rất quan trọng trong thiết bị điện tử và ô tô. Nó giữ các vật liệu khác nhau lại với nhau một cách chắc chắn. Đinh tán dạng lỗ gắn là giải pháp đơn giản nhưng đáng tin cậy cho nhiều nhu cầu lắp ráp.


Chi tiết sản xuất đinh tán lỗ gắn

Thông tin đóng gói

Câu hỏi thường gặp:

Câu 1: Moq của bạn cho đinh tán lỗ gắn là gì?

MOQ cho đinh tán là 20.000 chiếc.


Câu 2: Bạn có thể điều chỉnh việc thực hiện bằng bản vẽ của chúng tôi không?

Có, hầu hết các đinh tán hình ống của chúng tôi đều được thiết kế riêng theo bản vẽ của khách hàng.


Câu 3: Bạn có thể cung cấp mẫu đinh tán rỗng miễn phí không?

Chúng tôi có thể cung cấp các mẫu miễn phí cho kích thước chúng tôi có trong kho, nhưng khách hàng sẽ phải trả phí Chuyển phát nhanh.


Q4: Thời gian giao hàng của bạn là gì?

Kích thước đinh tán trong kho: 3-5 ngày, Đinh tán không chuẩn: 15-25 ngày. Chúng tôi sẽ giao hàng trong thời gian sớm nhất với chất lượng đảm bảo.


Câu 5: Chất lượng sản phẩm của bạn?

Công ty có thiết bị sản xuất và thử nghiệm tiên tiến. Mọi sản phẩm sẽ được bộ phận QC của chúng tôi kiểm tra 100% trước khi giao hàng.


Câu 6: Tại sao chúng tôi chọn Công nghệ Nuote?

1.Chúng tôi Nuote tôn trọng các điều khoản của khách hàng để bảo vệ các dự án bảo mật của khách hàng.

2. Chất lượng cao với giá hấp dẫn

3. Thời gian thực hiện nhanh

4. Thỏa thuận vui vẻ và trung thực với khách hàng và đối tác

5. Quảng cáo bán hàng chuyên nghiệp trả lời yêu cầu của bạn trong 8 giờ.

6. Sản phẩm và dịch vụ của Nuote được bán cho hơn 70 quốc gia với danh tiếng tốt


Thẻ nóng: Đinh tán lỗ gắn,Đinh tán lỗ gắn Trung Quốc,Nhà sản xuất đinh tán lỗ gắn
Danh mục liên quan
Gửi yêu cầu
Xin vui lòng gửi yêu cầu của bạn trong mẫu dưới đây. Chúng tôi sẽ trả lời bạn trong 24 giờ.
X
Chúng tôi sử dụng cookie để cung cấp cho bạn trải nghiệm duyệt web tốt hơn, phân tích lưu lượng truy cập trang web và cá nhân hóa nội dung. Bằng cách sử dụng trang web này, bạn đồng ý với việc chúng tôi sử dụng cookie. Chính sách bảo mật